DF150/DF175 (2009)

Оригинальные запчасти для подвесных лодочных моторов Suzuki Marine

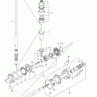
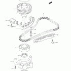
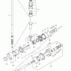
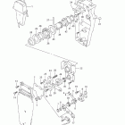
Выбор узла

DF150/DF175 (2009)