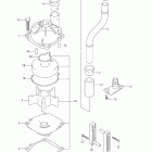
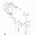
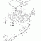
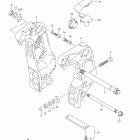
DF100/DF115 (2009)

Оригинальные запчасти для подвесных лодочных моторов Suzuki Marine

Выбор узла

DF100/DF115 (2009)