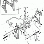
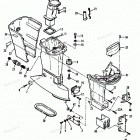
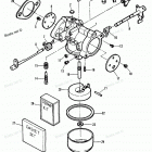
H0908X92F (1992)

Оригинальные запчасти для подвесных лодочных моторов Force

Выбор узла

H0908X92F (1992)