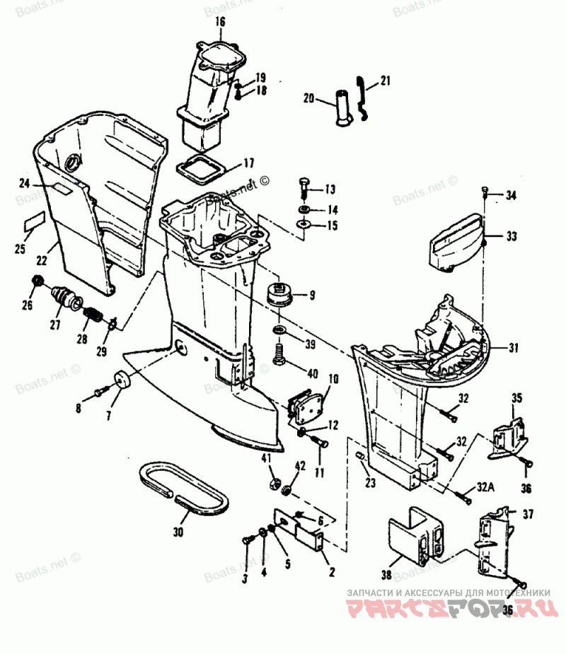
Дейвуд

Force H0908X92F

Force
#oem кодцена
1
819432A2
Деталь HOUSING KIT, DRIVESHAFT (20")(PAINTED)
1
819433A2
Деталь HOUSING KIT, DRIVESHAFT (25")(PAINTED)
2
F720835-1
Деталь STRAP, SHOCK MOUNT LOWER
3
826377
Деталь SCREW (5/16-18 X 3/4") WITH DRI LOC
4
F513286
Шайба
5
69150
Шайба
6
F720201
Проставка
7
F438962
Деталь MOUNT, SHOCK (LOWER)
8
F1263
Деталь SCREW (5/16-18 X 9/16")
9
F699965-1
Деталь MOUNT, SHOCK (UPPER)
10
F438346
Деталь MOUNT, SHOCK (LOWER)
11
F1822
Деталь SCREW (5/16-18 X 7/8")
12
53166
Деталь LOCKWASHER (5/16")
13
19922075
Деталь SCREW (3/8-16 X 3/4") WITH DRI LOC
14
20553
Шайба
15
FA85355-1
Деталь WASHER KIT, UPPER SHOCK MOUNT
16
F85660-1
Деталь TUBE, EXHAUST
17
F439736
Деталь SEAL, EXHAUST TUBE
18
19934075
Деталь SCREW (1/4-20 X 3/4") WITH DRI LOC
19
26992
Деталь LOCKWASHER (1/4") (FOR SCREWS WITHOUT DRI LOC)
20
816515
Деталь STANDPIPE 92A THRU 92C &
21
F686491
Деталь CLIP 92A THRU 92C &
22
819317F
Деталь COVER (REAR), DRIVESHAFT HOUSING (PAINTED)
23
F1664
Палец
24
F717893
Деталь DECAL (SIDE - /) (91E/92C & SER.# E000001, E009499) MAXUM
25
F716374
Деталь DECAL (REAR) (91E/92C & SER.# E000001, E009499)
26
816513
Деталь INSERT, IDLE EXHAUST BOOT
27
F85130
Деталь BOOT, IDLE EXHAUST
28
F85380
Деталь SPRING, IDLE EXHAUST BOOT
29
F85772
Зажим
30
F178323
Деталь SEAL, DRIVESHAFT HOUSING
31
FK719135F
Деталь COVER KIT (FRONT) (PAINTED)
32
F2030
Деталь SCREW (1/4-20 X 1-1/4")
32A
F2288
Деталь SCREW (1/4-20 X 1-1/2")
33
FK692779
Деталь BAFFLE KIT, AIR INTAKE
34
41772
Деталь SCREW (10-24 X 1/2")
35
F720606F
Деталь CAP, KINGPIN (20") (PAINTED)
36
F2312
Деталь SCREW (5/16-18 X 2-1/8")
37
F721606F
Деталь CAP, KINGPIN (25") (PAINTED)
38
F631707F
Деталь COVER, SHOCK MOUNT (25") (PAINTED)
39
F8140
Деталь LOCKWASHER (1/2")
40
826577
Деталь SCREW (1/2-13 X 7/8") WITH DRI LOC
41
68292
Деталь NUT (5/16-18)
42
53166
Деталь LOCKWASHER (5/16")