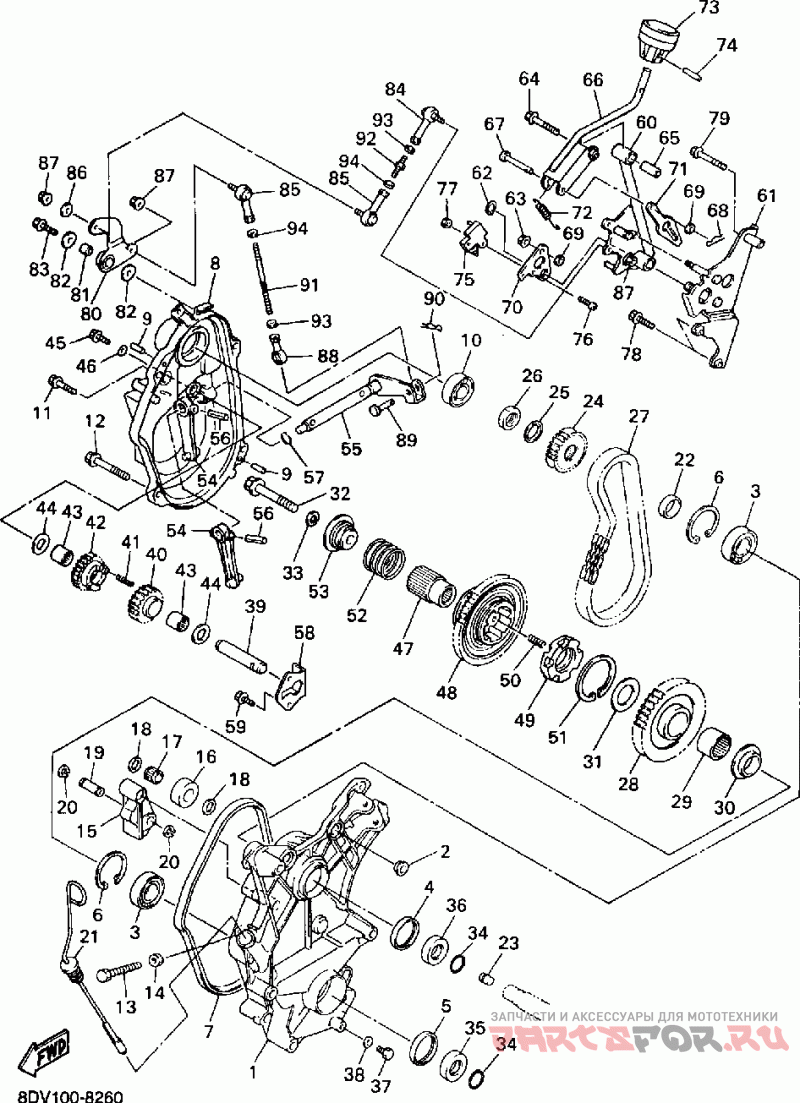
Привод трака 2

Yamaha VX500_600X

Yamaha
#oem кодцена
1
8CR-47541-01-00
Корпус
2
90179-10679-00
Гайка
3
93306-20592-00
Подшипник
4
93102-35473-00
Сальник
5
93102-35318-00
Сальник
6
99009-52500-00
Пружинное стопорное кольцо
7
8CR-47558-01-00
Кольцо
8
8CW-47543-02-00
Крышка картера
9
93606-20044-00
Штифт
10
93306-20458-00
Подшипник
11
12
13
14
95337-10600-00
Гайка
15
8CR-47613-00-00
Держатель
16
8CR-47612-00-00
Колесо
17
93315-21227-00
Подшипник
18
90201-127E1-00
Шайба (отпускается по 5 шт)
19
90249-12227-00
Палец
20
99009-12400-00
Пружинное стопорное кольцо
21
8CR-47546-00-00
Щуп уровня масла
22
90387-2508D-00
Втулка звезды
23
82M-17699-00-00
Пробка
24
89J-17682-80-00
Деталь Sprkt, Chain Dr 18t Ur Ap
24
89J-17682-00-00
Деталь Sprkt, Chain Dr 20t Ur Ap
24
89J-17682-10-00
Деталь Sprkt, Chain Dr 21t Ur Ap
24
89J-17682-30-00
Деталь Sprocket, 23t For Vx600
24
89J-17682-20-00
Деталь Sprocket, 22t For Vx500
24
89J-17682-91-00
Деталь Sprocket, 19t Ur Ap
25
90208-22001-00
Шайба
26
90170-22094-00
Шестигранная гайка
27
94860-02068-00
Деталь 68l Chain, Rexnord Ur Ap
27
94860-02070-00
Деталь 70l Chain, Rexnord Urstd
28
8CW-47587-90-00
Деталь Sprocket, Chn Drvn Urstd
29
93317-33179-00
Подшипник
30
90387-2008G-00
Манжета
31
90201-320S3-00
Шайба (отпускается по 5 шт)
32
33
92907-10100-00
Шайба
34
93210-25071-00
Кольцо уплотнительное
35
90387-2508C-00
Манжета
36
90387-2511J-00
Манжета
37
38
90210-08017-00
Шайба
39
40
8DM-17692-00-00
Ведущая звёздочка
41
90501-06022-00
Пружина сжатия
42
8CW-W1714-00-00
Шестерня реверса
43
93317-21578-00
Подшипник
44
90201-16245-00
Шайба (отпускается по 5 шт)
45
46
90210-06006-00
Шайба
47
8CW-47571-00-00
Шпиндель
48
8CW-17243-00-00
Шестерня
49
8CW-17492-00-00
Зажим
50
90501-066J5-00
Пружина сжатия
51
93440-39175-00
Внешнее стопорное кольцо
52
90501-326J6-00
Пружина сжатия
53
8CW-47564-00-00
Манжета
54
8ER-18511-00-00
Вилка
55
56
91609-50022-00
Палец
57
93210-12131-00
Кольцо уплотнительное
58
8CW-47591-00-00
Пластина
60
8CW-18112-01-00
Рычаг
61
8CW-18161-01-00
Направляющая
63
95604-06200-00
Гайка
64
65
90387-06605-00
Манжета
66
8CW-18152-01-00
Рычаг переключения
67
91701-06035-00
Штифт
68
90468-10050-00
Зажим
69
92907-06200-00
Шайба
70
8CW-1811A-00-00
Пластина
71
8CW-18153-00-00
Опора
72
90506-14343-00
Пружина
73
8CL-18174-00-00
Набалдашник
74
91690-40022-00
Палец
75
J51-82817-00-00
Переключатель, нейтрали
76
77
95617-04100-00
Гайка
78
79
80
8CW-18198-00-00
Рычаг
81
90387-06197-00
Манжета
82
90201-063J2-00
Шайба (отпускается по 5 шт)
84
J45-23845-00-00
Наконечник
85
88T-18157-00-00
Опора шаровая
86
90201-06778-00
Шайба (отпускается по 5 шт)
88
8CW-18156-00-00
Шаровая
89
91701-06022-00
Штифт
91
92
93
95314-06600-00
Шестигранная гайка
94
90170-06228-00
Шестигранная гайка