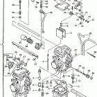
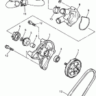
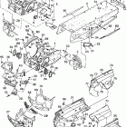
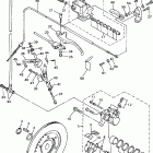
VX500_600X (1998)

Оригинальные запчасти для снегоходов Yamaha

Выбор узла

VX500_600X (1998)