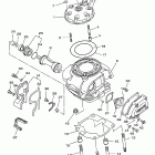
Yamaha YZ 250 1997

Неоригинальные запчасти Parts Unlimited