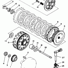
Yamaha YZ 490 1989

Неоригинальные запчасти Parts Unlimited