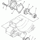
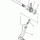
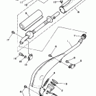
Yamaha YZ 250 1989

Неоригинальные запчасти Parts Unlimited