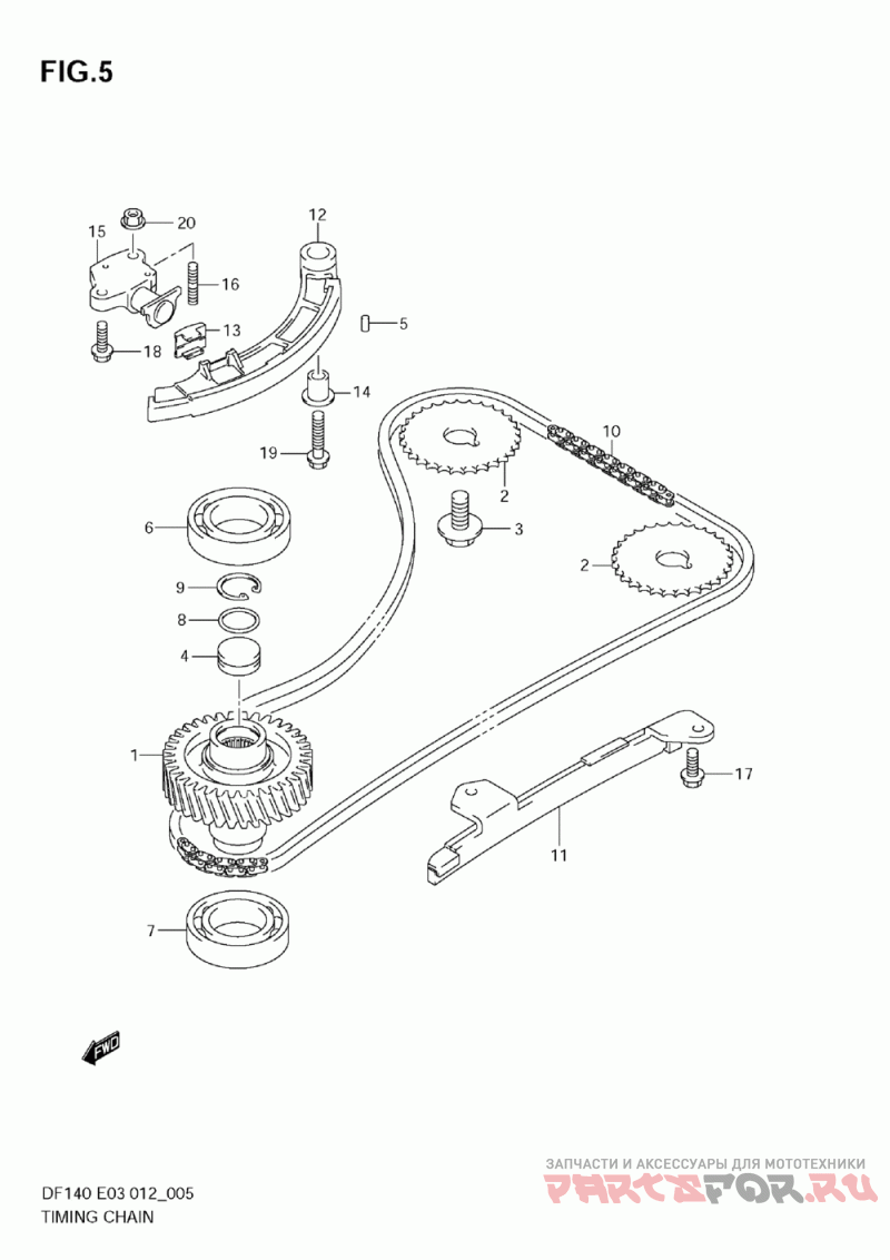
Цепь ГРМ

Suzuki Marine DF140 L2

Suzuki Marine
#oem кодцена
1
12732-90J00
Шестерня
2
12741-90J01
Деталь Sprocket, Camsha
3
09103-12049
Деталь Bolt, 12x25
4
12733-90J00
Деталь Plug, Driven Gea
5
04221-05109
Штифт
6
09262-35068
Деталь Ball Brng 35x62 (upper)
7
09262-35069
Деталь Ball Brng 35x62 (lower)
8
09280-22022
Кольцо
9
08331-4126A
Пружинное стопорное кольцо
10
12761-90J00
Деталь Chain Comp, Timi
11
12771-90J00
Деталь Guide, Timing Ch
12
12810-90J00
Деталь Tensioner, Timin
13
12813-73G00
Деталь Rod, Timing Chai
14
12812-90J00
Деталь Spacer, Timing C
15
12831-90J02
Деталь Adjuster Assy, T
16
01421-0616A
Шпилька
17
01550-0616A
Болт
18
01550-0620A
Болт
19
01550-0835A
Болт
20
08316-1006A
Гайка