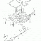
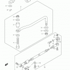
DF140 L2 (2012)

Оригинальные запчасти для подвесных лодочных моторов Suzuki Marine

Выбор узла

DF140 L2 (2012)