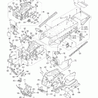
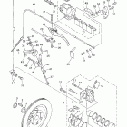
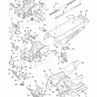
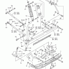
SX Viper (2003)

Оригинальные запчасти для снегоходов Yamaha

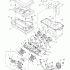
Выбор узла

SX Viper (2003)