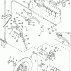
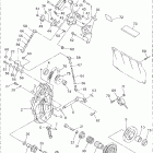
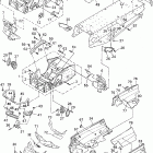
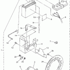
PZ500F (2001)

Оригинальные запчасти для снегоходов Yamaha

Выбор узла

PZ500F (2001)