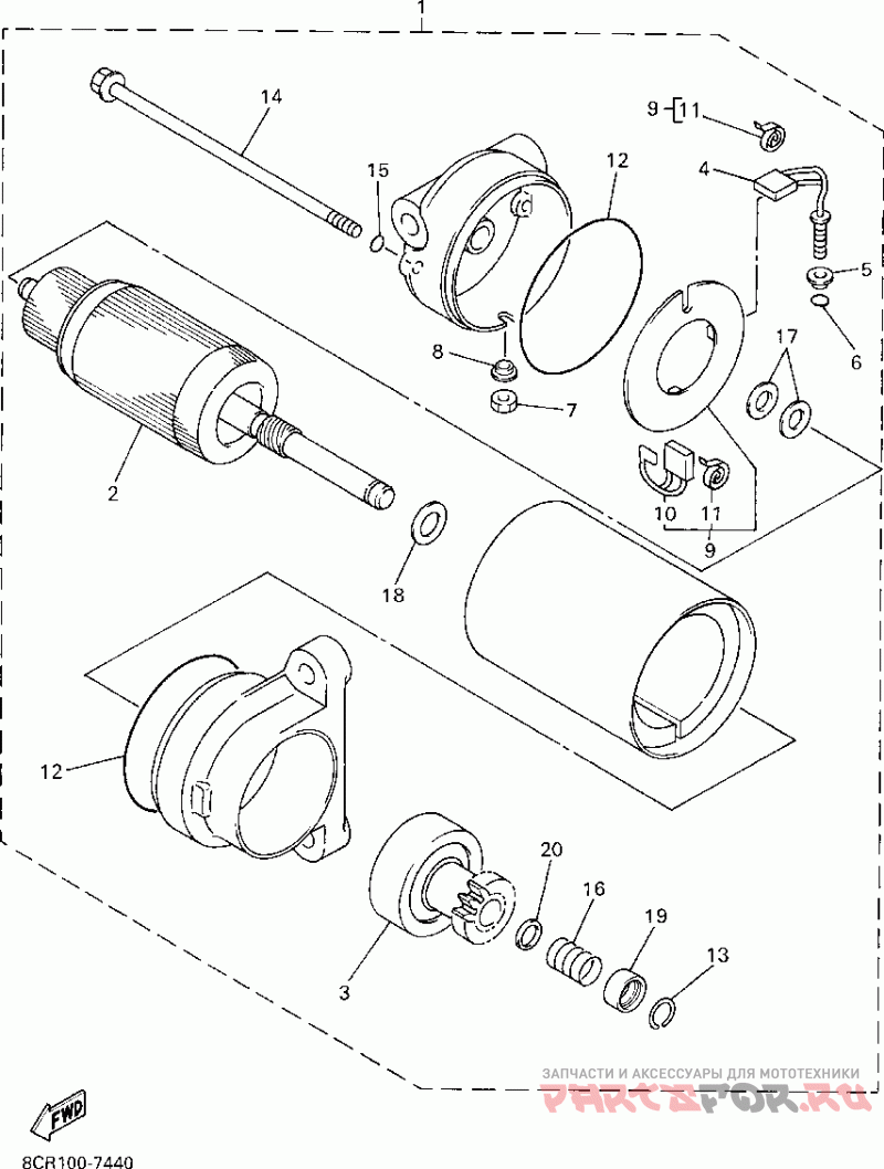
Alternate starting motor

Yamaha VMAX-VX700D

Yamaha
#oem кодцена
1
8CW-81800-01-00
Стартер электрический
2
8CW-81850-00-00
Ротор
3
8CW-81832-00-00
Бендикс
4
7GA-81811-50-00
Щетка
5
73A-81829-50-00
Уплотнитель
6
73A-81847-00-00
Кольцо уплотнительное
7
4H7-81872-00-00
Гайка
8
73A-81829-00-00
Уплотнитель
9
4H7-81840-01-00
Щеткодержателя
10
8CW-81812-00-00
Щетка
11
8L6-81813-50-00
Пружина
12
4H7-81844-00-00
Прокладка
13
8L6-81834-50-00
Прокладка
14
15
8L6-81847-50-00
Кольцо уплотнительное
16
8CW-81836-00-00
Пружина рычага
17
4H7-81843-50-00
Пружина рычага
18
8L6-81835-50-00
Шайба
19
8CW-81833-00-00
Кольцо
20
8BB-8185A-00-00
Шайба (отпускается по 5 шт)