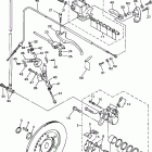
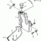
VMAX 500 XT-VX600XTB/VX500XTB (1998)

Оригинальные запчасти для снегоходов Yamaha

Выбор узла

VMAX 500 XT-VX600XTB/VX500XTB (1998)

Yamaha V-Max 500 XT 1998

Неоригинальные запчасти Parts Unlimited