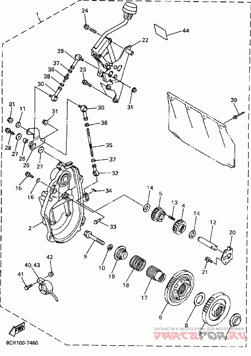
Alternate reverse gear kit

Yamaha VMAX-VX500_600X

Yamaha
#oem кодцена
1
8CR-47590-01-00
Деталь Reverse Gear Kit
2
8CW-W4754-00-00
Деталь Cap Housing Sub Assy
3
8CW-W4758-00-00
Деталь Sprocket Sub-assy1
4
8CW-W176F-01-00
Деталь Sprocket Sub-assy2
5
8CW-W1714-00-00
Шестерня реверса
6
8CW-W1724-00-00
Деталь Rev Gear Sub-assy2
7
90387-2008G-00
Манжета
8
90201-320S3-00
Шайба (отпускается по 5 шт)
9
10
92907-10100-00
Шайба
11
90201-06778-00
Шайба (отпускается по 5 шт)
12
13
90501-06022-00
Пружина сжатия
14
90201-16245-00
Шайба (отпускается по 5 шт)
15
16
90210-06006-00
Шайба
17
8CW-47571-00-00
Шпиндель
18
90501-326J6-00
Пружина сжатия
19
8CW-47564-00-00
Манжета
20
8CW-47591-00-00
Пластина
22
8CW-18120-01-00
Деталь Shift Lever Assy
23
24
25
8CW-18198-00-00
Рычаг
26
90387-06197-00
Манжета
27
90201-063J2-00
Шайба (отпускается по 5 шт)
29
J45-23845-00-00
Наконечник
30
88T-18157-00-00
Опора шаровая
31
95604-06200-00
Гайка
32
8CW-18156-00-00
Шаровая
33
91701-06022-00
Штифт
34
90468-10050-00
Зажим
35
36
37
95314-06600-00
Шестигранная гайка
38
90170-06228-00
Шестигранная гайка
39
90267-48018-00
Заклёпка (отпускается по 10 шт)
40
8CR-83383-00-00
Звуковой сигнал
41
42
95707-05500-00
Гайка
43
8CW-83383-00-00
Звуковой сигнал
44
8DY-77763-00-00
Наклейка,предупреждения