• О Компании
  • Оплата и Доставка
  • Помощь
  • Обратная связь
  • Контакты
  • Telegram
  • ВКонтакте
  • Telegram
  • ВКонтакте
  • Регистрация
  • Авторизация
Интернет магазин мотозапчастей PartsFor.ru
Москва и регионы России
  • Личный кабинет
    • Заказы
    • Оплаты
    • Отгрузки
    • Сообщения
    • Профиль
    • Выход
  • Оригинальные запчасти
    • Для мотоциклов
    • Yamaha
    • Honda
    • Suzuki
    • Kawasaki
    • Harley Davidson
    • Ducati
    • Can-Am
    • Aprilia
    • BMW
    • Triumph
    • Husaberg
    • Husqvarna
    • KTM
    • Indian
    • Victory
    • Slingshot
    • Для мотоциклов
    • Для квадроциклов
    • Для снегоходов
    • Для мотовездеходов
    • Для гидроциклов
    • Для лодочных моторов
    • Для катеров
    • Для судовых двигателей
    • Для генераторов
    • Для квадроциклов
    • Yamaha
    • Honda
    • Suzuki
    • Kawasaki
    • Arctic Cat
    • Can-Am
    • Polaris
    • KTM
    • Для снегоходов
    • Yamaha
    • Arctic Cat
    • Lynx
    • Ski-Doo
    • Polaris
    • Для генераторов
    • Для мотовездеходов
    • Yamaha
    • Honda
    • Suzuki
    • Kawasaki
    • Arctic Cat
    • Can-Am
    • Polaris
    • Polaris RZR
    • Для гидроциклов
    • Yamaha
    • Honda Marine
    • Kawasaki
    • Arctic Cat
    • Polaris
    • Sea-Doo
    • Для лодочных моторов
    • Для катеров
    • Для суд. двигателей
    • Для генераторов
    • Для лодочных моторов
    • Yamaha
    • Honda Marine
    • Suzuki Marine
    • Evinrude
    • Johnson
    • Nissan
    • Tohatsu
    • Mercury
    • Force
    • Mariner
    • Для катеров
    • Yamaha
    • Sea-Doo
    • Для суд. двигателей
    • Для спецтехники
  • Неоригинал, расходники
  • Заказ по каталогам
    • КАТАЛОГ PARTS UNLIMITED
  • Моторезина
  1. Главная
  2. Запчасти для снегоходов
  3. Yamaha
  4. 1993
  5. BR 250

BR 250 (1993)

Оригинальные запчасти для снегоходов Yamaha

Выбор узла

BR 250 (1993)
  • BR 250 Воздухозаборник
    Воздухозаборник
  • BR 250 Панель приборов
    Панель приборов
  • BR 250 Кожух вентилятора
    Кожух вентилятора
  • BR 250 Спидометр
    Спидометр
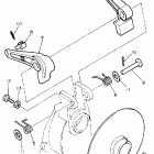
  • BR 250 Тормоза
    Тормоза
  • BR 250 Масляный насос
    Масляный насос
  • BR 250 Бампер, Багажник. Брызговик
    Бампер, Багажник. Брызговик
  • BR 250 Маслянный бак
    Маслянный бак
  • BR 250 Карбюратор
    Карбюратор
  • BR 250 Вариатор
    Вариатор
  • BR 250 Трос управления
    Трос управления
  • BR 250 Привод масляного насоса
    Привод масляного насоса
  • BR 250 Картер
    Картер
  • BR 250 Сидение
    Сидение
  • BR 250 Коленчатый вал и Поршень
    Коленчатый вал и Поршень
  • BR 250 Вторичный вал
    Вторичный вал
  • BR 250 Цилиндр
    Цилиндр
  • BR 250 Стекло ветровое
    Стекло ветровое
  • BR 250 Электрика 1
    Электрика 1
  • BR 250 Лыжа
    Лыжа
  • BR 250 Электрика 2
    Электрика 2
  • BR 250 Стартер
    Стартер
  • BR 250 Крепление двигателя
    Крепление двигателя
  • BR 250 Рулевое управление
    Рулевое управление
  • BR 250 Выхлопная система
    Выхлопная система
  • BR 250 Кронштейн крепления (паук рулевой)
    Кронштейн крепления (паук рулевой)
  • BR 250 Рама
    Рама
  • BR 250 Фонарь задний
    Фонарь задний
  • BR 250 Топливный бак
    Топливный бак
  • BR 250 Привод трака 1
    Привод трака 1
  • BR 250 Генератор
    Генератор
  • BR 250 Привод трака 2
    Привод трака 2
  • BR 250 Защита кофра
    Защита кофра
  • BR 250 Подвеска трака 1
    Подвеска трака 1
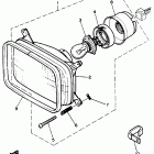
  • BR 250 Фара
    Фара
  • BR 250 Подвеска трака 2
    Подвеска трака 2


  Информация
  • Новости
  • О Компании
  • Оплата и Доставка
  • Помощь
  • Обратная связь
  • Контакты
  OEM запчасти
  • Запчасти для мотоциклов
  • Запчасти для квадроциклов
  • Запчасти для снегоходов
  • Запчасти для мотовездеходов
  • Запчасти для гидроциклов
  • Запчасти для лодочных моторов
  Наши контакты
  • ИП Зуев Артем Павлович
  • г. Москва 2-я Хуторская улица, д.29, офис 214
  • Email: info@partsfor.ru

Тел: ‎8(495) 532-03-60
8(909) 958-46-33; 8(925) 200-16-98

* все разговоры записываются
С 10.00 до 19.00 ПН - ПТ

© 2026 Интернет магазин запчастей для мототехники ПартсФор.

  • PaymentGateway
  • PaymentGateway
Договор-оферта
Образец договора для юр.лиц
Пользовательское соглашение
Политика конфиденциальности

Товар добавлен в корзину

Выбранный товар добавлен в Вашу корзину.
Далее Вы можете перейти в корзину для оформления заказа или закрыть это окно и продолжить покупки.

Перейти в корзину

Выбор модели техники

Выбрать