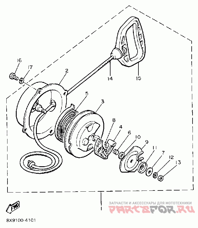
Стартер

Yamaha PHAZER-PZ 480ST

Yamaha
#oem кодцена
1
8V0-15710-00-00
Стартер
2
8V0-15711-00-00
Корпус стартера
3
8F3-15714-01-00
Барабан
4
8F3-15741-01-00
Кулачек
5
8F3-15713-01-00
Пружина
6
8F3-15715-00-00
Пружина
7
8F3-15739-01-00
Шайба
8
8F3-15734-00-00
Пружина
9
8G5-15739-00-00
Шайба
10
82M-15779-00-00
Манжета
11
8F3-15716-03-00
Пластина
12
92995-06100-00
Шайба
13
95380-06700-00
Гайка
14
15
8F3-15755-00-00
Ручка
16