• О Компании
  • Оплата и Доставка
  • Помощь
  • Обратная связь
  • Контакты
  • Telegram
  • ВКонтакте
  • Telegram
  • ВКонтакте
  • Регистрация
  • Авторизация
Интернет магазин мотозапчастей PartsFor.ru
Москва и регионы России
  • Личный кабинет
    • Заказы
    • Оплаты
    • Отгрузки
    • Сообщения
    • Профиль
    • Выход
  • Оригинальные запчасти
    • Для мотоциклов
    • Yamaha
    • Honda
    • Suzuki
    • Kawasaki
    • Harley Davidson
    • Ducati
    • Can-Am
    • Aprilia
    • BMW
    • Triumph
    • Husaberg
    • Husqvarna
    • KTM
    • Indian
    • Victory
    • Slingshot
    • Для мотоциклов
    • Для квадроциклов
    • Для снегоходов
    • Для мотовездеходов
    • Для гидроциклов
    • Для лодочных моторов
    • Для катеров
    • Для судовых двигателей
    • Для генераторов
    • Для квадроциклов
    • Yamaha
    • Honda
    • Suzuki
    • Kawasaki
    • Arctic Cat
    • Can-Am
    • Polaris
    • KTM
    • Для снегоходов
    • Yamaha
    • Arctic Cat
    • Lynx
    • Ski-Doo
    • Polaris
    • Для генераторов
    • Для мотовездеходов
    • Yamaha
    • Honda
    • Suzuki
    • Kawasaki
    • Arctic Cat
    • Can-Am
    • Polaris
    • Polaris RZR
    • Для гидроциклов
    • Yamaha
    • Honda Marine
    • Kawasaki
    • Arctic Cat
    • Polaris
    • Sea-Doo
    • Для лодочных моторов
    • Для катеров
    • Для суд. двигателей
    • Для генераторов
    • Для лодочных моторов
    • Yamaha
    • Honda Marine
    • Suzuki Marine
    • Evinrude
    • Johnson
    • Nissan
    • Tohatsu
    • Mercury
    • Force
    • Mariner
    • Для катеров
    • Yamaha
    • Sea-Doo
    • Для суд. двигателей
    • Для спецтехники
  • Неоригинал, расходники
  • Заказ по каталогам
    • КАТАЛОГ PARTS UNLIMITED
  • Моторезина
  1. Главная
  2. Запчасти для снегоходов
  3. Yamaha
  4. 1990
  5. XL 540

XL 540 (1990)

Оригинальные запчасти для снегоходов Yamaha

Выбор узла

XL 540 (1990)
совместимые запчасти для данной модели внизу страницы
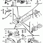
  • XL 540 Воздухозаборник
    Воздухозаборник
  • XL 540 Спидометр
    Спидометр
  • XL 540 Air sroud fan
    Air sroud fan
  • XL 540 Масляный насос
    Масляный насос
  • XL 540 Тормоза
    Тормоза
  • XL 540 Маслянный банк
    Маслянный банк
  • XL 540 Бампер, Багажник. Брызговик
    Бампер, Багажник. Брызговик
  • XL 540 Вариатор
    Вариатор
  • XL 540 Карбюратор
    Карбюратор
  • XL 540 Привод масляного насоса
    Привод масляного насоса
  • XL 540 Трос управления
    Трос управления
  • XL 540 Сидение
    Сидение
  • XL 540 Картер
    Картер
  • XL 540 Вторичный вал
    Вторичный вал
  • XL 540 Коленчатый вал и Поршень
    Коленчатый вал и Поршень
  • XL 540 Капот и облицовка
    Капот и облицовка
  • XL 540 Цилиндр
    Цилиндр
  • XL 540 Лыжа
    Лыжа
  • XL 540 Электрика 1
    Электрика 1
  • XL 540 Стартер
    Стартер
  • XL 540 Электрика 2
    Электрика 2
  • XL 540 Стартер электрический
    Стартер электрический
  • XL 540 Крепление двигателя
    Крепление двигателя
  • XL 540 Управление
    Управление
  • XL 540 Выхлопная система
    Выхлопная система
  • XL 540 Кронштейн крепления (паук рулевой)
    Кронштейн крепления (паук рулевой)
  • XL 540 Рама
    Рама
  • XL 540 Фонарь задний
    Фонарь задний
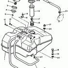
  • XL 540 Топливный бак
    Топливный бак
  • XL 540 Привод трака 1
    Привод трака 1
  • XL 540 Защита ящика для поклажи
    Защита ящика для поклажи
  • XL 540 Привод трака 2
    Привод трака 2
  • XL 540 Генератор
    Генератор
  • XL 540 Подвеска трака 1
    Подвеска трака 1
  • XL 540 Фара
    Фара
  • XL 540 Подвеска трака 2
    Подвеска трака 2
  • XL 540 Панель приборов
    Панель приборов
  • XL 540 Стекло ветровое
    Стекло ветровое

Yamaha XL 540 1990

Неоригинальные запчасти Parts Unlimited

  • Кабель
    Throttle Cable for Yamaha
    Throttle Cable for Yamaha
  • Приводной ремень
    Drive Belt
    Drive Belt
  • Приводной ремень
    High Performance Extreme Belt
    High Performance Extreme Belt
  • Батарея
    Battery - YB16AL-A2
    Battery - YB16AL-A2
  • Тормозная колодка
    Brake Pads - Yamaha
    Brake Pads - Yamaha
  • Тормозная колодка
    HH+ Brake Pads - SDP848NX
    HH+ Brake Pads - SDP848NX


  Информация
  • Новости
  • О Компании
  • Оплата и Доставка
  • Помощь
  • Обратная связь
  • Контакты
  OEM запчасти
  • Запчасти для мотоциклов
  • Запчасти для квадроциклов
  • Запчасти для снегоходов
  • Запчасти для мотовездеходов
  • Запчасти для гидроциклов
  • Запчасти для лодочных моторов
  Наши контакты
  • ИП Зуев Артем Павлович
  • г. Москва 2-я Хуторская улица, д.29, офис 214
  • Email: info@partsfor.ru

Тел: ‎8(495) 532-03-60
8(909) 958-46-33; 8(925) 200-16-98

* все разговоры записываются
С 10.00 до 19.00 ПН - ПТ

© 2026 Интернет магазин запчастей для мототехники ПартсФор.

  • PaymentGateway
  • PaymentGateway
Договор-оферта
Образец договора для юр.лиц
Пользовательское соглашение
Политика конфиденциальности

Товар добавлен в корзину

Выбранный товар добавлен в Вашу корзину.
Далее Вы можете перейти в корзину для оформления заказа или закрыть это окно и продолжить покупки.

Перейти в корзину

Выбор модели техники

Выбрать