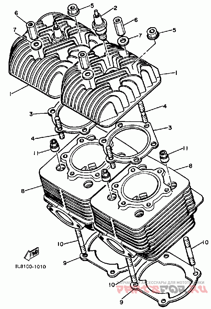
Цилиндр

Yamaha SS 440

Yamaha
#oem кодцена
1
8K4-11111-00-00
Головка цилиндра
2
NGK-BR9ES-00-00
Деталь Ngk Br9es 10pk
3
8K4-11181-01-00
Прокладка головки цилиндра 1
4
90116-08104-00
Шпилька
5
95704-08500-00
Гайка
6
90179-08269-00
Гайка
7
90201-08100-00
Шайба (отпускается по 5 шт)
8
8L8-11311-00-00
Цилиндр
9
89N-11351-00-00
Прокладка цилиндра
11
90179-08268-00
Гайка
2
BR9-ES000-00-00
Деталь Ngk Br9es 10pk
10
90116-08104-00
Шпилька