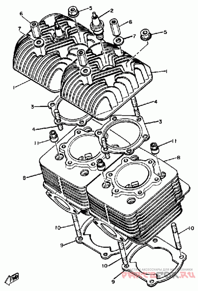
Цилиндр
Yamaha SS440E
| # | oem код | название | цена |
|---|---|---|---|
1 | 8K4-11111-00-00 Головка цилиндра | Головка цилиндра | |
2 | BR9-ES000-00-00 Деталь Ngk Br9es 10pk (ngk Br9es) | Деталь Ngk Br9es 10pk (ngk Br9es) | |
3 | 8K4-11181-01-00 Прокладка головки цилиндра 1 | Прокладка головки цилиндра 1 | |
4 | 90116-08104-00 Шпилька | Шпилька | |
5 | 95704-08500-00 Деталь Nut, Flange (95702-08500-00) | Деталь Nut, Flange (95702-08500-00) | |
6 | 90179-08269-00 Гайка | Гайка | |
7 | 90201-08100-00 Шайба (отпускается по 5 шт) | Шайба (отпускается по 5 шт) | |
8 | 8L8-11311-00-00 Цилиндр | Цилиндр | |
9 | 89N-11351-00-00 Прокладка цилиндра | Прокладка цилиндра | |
11 | 90179-08268-00 Гайка | Гайка | |
10 | 90116-08104-00 Шпилька | Шпилька |
