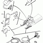
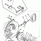
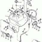
ET 250 (1981)

Оригинальные запчасти для снегоходов Yamaha

Выбор узла

ET 250 (1981)