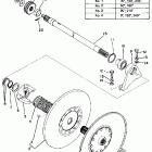
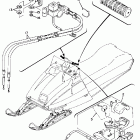
Yamaha SRX 440 1979

Неоригинальные запчасти Parts Unlimited