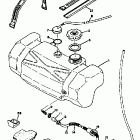
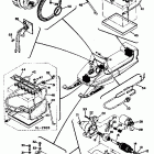
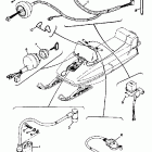
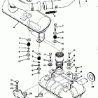
SL 292 (1973)

Оригинальные запчасти для снегоходов Yamaha

Выбор узла

SL 292 (1973)