• О Компании
  • Оплата и Доставка
  • Помощь
  • Обратная связь
  • Контакты
  • Telegram
  • ВКонтакте
  • Telegram
  • ВКонтакте
  • Регистрация
  • Авторизация
Интернет магазин мотозапчастей PartsFor.ru
Москва и регионы России
  • Личный кабинет
    • Заказы
    • Оплаты
    • Отгрузки
    • Сообщения
    • Профиль
    • Выход
  • Оригинальные запчасти
    • Для мотоциклов
    • Yamaha
    • Honda
    • Suzuki
    • Kawasaki
    • Harley Davidson
    • Ducati
    • Can-Am
    • Aprilia
    • BMW
    • Triumph
    • Husaberg
    • Husqvarna
    • KTM
    • Indian
    • Victory
    • Slingshot
    • Для мотоциклов
    • Для квадроциклов
    • Для снегоходов
    • Для мотовездеходов
    • Для гидроциклов
    • Для лодочных моторов
    • Для катеров
    • Для судовых двигателей
    • Для генераторов
    • Для квадроциклов
    • Yamaha
    • Honda
    • Suzuki
    • Kawasaki
    • Arctic Cat
    • Can-Am
    • Polaris
    • KTM
    • Для снегоходов
    • Yamaha
    • Arctic Cat
    • Lynx
    • Ski-Doo
    • Polaris
    • Для генераторов
    • Для мотовездеходов
    • Yamaha
    • Honda
    • Suzuki
    • Kawasaki
    • Arctic Cat
    • Can-Am
    • Polaris
    • Polaris RZR
    • Для гидроциклов
    • Yamaha
    • Honda Marine
    • Kawasaki
    • Arctic Cat
    • Polaris
    • Sea-Doo
    • Для лодочных моторов
    • Для катеров
    • Для суд. двигателей
    • Для генераторов
    • Для лодочных моторов
    • Yamaha
    • Honda Marine
    • Suzuki Marine
    • Evinrude
    • Johnson
    • Nissan
    • Tohatsu
    • Mercury
    • Force
    • Mariner
    • Для катеров
    • Yamaha
    • Sea-Doo
    • Для суд. двигателей
    • Для спецтехники
  • Неоригинал, расходники
  • Заказ по каталогам
    • КАТАЛОГ PARTS UNLIMITED
  • Моторезина
  1. Главная
  2. Запчасти для снегоходов
  3. Ski-Doo (Bombardier)
  4. 2007
  5. Expedition Sport 550F

Expedition Sport 550F (2007)

Оригинальные запчасти для снегоходов Ski-Doo (Bombardier)

Выбор узла

Expedition Sport 550F (2007)
  • Expedition Sport 550F Система охлаждения
    Система охлаждения
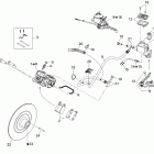
  • Expedition Sport 550F Рулевая система
    Рулевая система
  • Expedition Sport 550F Картер
    Картер
  • Expedition Sport 550F Передний рычаг
    Передний рычаг
  • Expedition Sport 550F Коленвал,поршень и цилиндр
    Коленвал,поршень и цилиндр
  • Expedition Sport 550F Задний рычаг
    Задний рычаг
  • Expedition Sport 550F 01- cylinder, exhaust manifold and reed valve 2
    01- cylinder, exhaust manifold and reed valve 2
  • Expedition Sport 550F Задняя подвеска
    Задняя подвеска
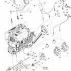
  • Expedition Sport 550F Двигатель и крепление
    Двигатель и крепление
  • Expedition Sport 550F Задний амортизатор
    Задний амортизатор
  • Expedition Sport 550F Глушитель
    Глушитель
  • Expedition Sport 550F Защита и бампер
    Защита и бампер
  • Expedition Sport 550F 01- fan & cylinder cowls 2
    01- fan & cylinder cowls 2
  • Expedition Sport 550F Наклейки
    Наклейки
  • Expedition Sport 550F Система забора воздуха
    Система забора воздуха
  • Expedition Sport 550F Рама
    Рама
  • Expedition Sport 550F Карбюратор
    Карбюратор
  • Expedition Sport 550F Рама
    Рама
  • Expedition Sport 550F Топливная система
    Топливная система
  • Expedition Sport 550F Капот
    Капот
  • Expedition Sport 550F Маслянный насос
    Маслянный насос
  • Expedition Sport 550F Багажник задний
    Багажник задний
  • Expedition Sport 550F Масляная система
    Масляная система
  • Expedition Sport 550F Сиденье
    Сиденье
  • Expedition Sport 550F Магнето
    Магнето
  • Expedition Sport 550F Комплектующие изделия
    Комплектующие изделия
  • Expedition Sport 550F Ручной стартер
    Ручной стартер
  • Expedition Sport 550F АКБ и стартер электрический
    АКБ и стартер электрический
  • Expedition Sport 550F Приводная система
    Приводная система
  • Expedition Sport 550F Электрика
    Электрика
  • Expedition Sport 550F Вариатор
    Вариатор
  • Expedition Sport 550F Жгут проводов
    Жгут проводов
  • Expedition Sport 550F Тормозная система
    Тормозная система
  • Expedition Sport 550F 10- electrical harness hood
    10- electrical harness hood
  • Expedition Sport 550F Передняя подвеска и лыжи
    Передняя подвеска и лыжи
  • Expedition Sport 550F Жгут проводов - рулевая
    Жгут проводов - рулевая


  Информация
  • Новости
  • О Компании
  • Оплата и Доставка
  • Помощь
  • Обратная связь
  • Контакты
  OEM запчасти
  • Запчасти для мотоциклов
  • Запчасти для квадроциклов
  • Запчасти для снегоходов
  • Запчасти для мотовездеходов
  • Запчасти для гидроциклов
  • Запчасти для лодочных моторов
  Наши контакты
  • ИП Зуев Артем Павлович
  • г. Москва 2-я Хуторская улица, д.29, офис 214
  • Email: info@partsfor.ru

Тел: ‎8(495) 532-03-60
8(909) 958-46-33; 8(925) 200-16-98

* все разговоры записываются
С 10.00 до 19.00 ПН - ПТ

© 2026 Интернет магазин запчастей для мототехники ПартсФор.

  • PaymentGateway
  • PaymentGateway
Договор-оферта
Образец договора для юр.лиц
Пользовательское соглашение
Политика конфиденциальности

Товар добавлен в корзину

Выбранный товар добавлен в Вашу корзину.
Далее Вы можете перейти в корзину для оформления заказа или закрыть это окно и продолжить покупки.

Перейти в корзину

Выбор модели техники

Выбрать