• О Компании
  • Оплата и Доставка
  • Помощь
  • Обратная связь
  • Контакты
  • Telegram
  • ВКонтакте
  • Telegram
  • ВКонтакте
  • Регистрация
  • Авторизация
Интернет магазин мотозапчастей PartsFor.ru
Москва и регионы России
  • Личный кабинет
    • Заказы
    • Оплаты
    • Отгрузки
    • Сообщения
    • Профиль
    • Выход
  • Оригинальные запчасти
    • Для мотоциклов
    • Yamaha
    • Honda
    • Suzuki
    • Kawasaki
    • Harley Davidson
    • Ducati
    • Can-Am
    • Aprilia
    • BMW
    • Triumph
    • Husaberg
    • Husqvarna
    • KTM
    • Indian
    • Victory
    • Slingshot
    • Для мотоциклов
    • Для квадроциклов
    • Для снегоходов
    • Для мотовездеходов
    • Для гидроциклов
    • Для лодочных моторов
    • Для катеров
    • Для судовых двигателей
    • Для генераторов
    • Для квадроциклов
    • Yamaha
    • Honda
    • Suzuki
    • Kawasaki
    • Arctic Cat
    • Can-Am
    • Polaris
    • KTM
    • Для снегоходов
    • Yamaha
    • Arctic Cat
    • Lynx
    • Ski-Doo
    • Polaris
    • Для генераторов
    • Для мотовездеходов
    • Yamaha
    • Honda
    • Suzuki
    • Kawasaki
    • Arctic Cat
    • Can-Am
    • Polaris
    • Polaris RZR
    • Для гидроциклов
    • Yamaha
    • Honda Marine
    • Kawasaki
    • Arctic Cat
    • Polaris
    • Sea-Doo
    • Для лодочных моторов
    • Для катеров
    • Для суд. двигателей
    • Для генераторов
    • Для лодочных моторов
    • Yamaha
    • Honda Marine
    • Suzuki Marine
    • Evinrude
    • Johnson
    • Nissan
    • Tohatsu
    • Mercury
    • Force
    • Mariner
    • Для катеров
    • Yamaha
    • Sea-Doo
    • Для суд. двигателей
    • Для спецтехники
  • Неоригинал, расходники
  • Заказ по каталогам
    • КАТАЛОГ PARTS UNLIMITED
  • Моторезина
  1. Главная
  2. Запчасти для снегоходов
  3. Ski-Doo (Bombardier)
  4. 2001
  5. Skandic 500F/600

Skandic 500F/600 (2001)

Оригинальные запчасти для снегоходов Ski-Doo (Bombardier)

Выбор узла

Skandic 500F/600 (2001)
  • Skandic 500F/600 01- cooling system  fan (503)
    01- cooling system fan (503)
  • Skandic 500F/600 Магнето  (503)
    Магнето (503)
  • Skandic 500F/600 Система охлаждения
    Система охлаждения
  • Skandic 500F/600 Стартер электрический
    Стартер электрический
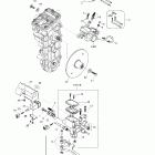
  • Skandic 500F/600 Картер (503)
    Картер (503)
  • Skandic 500F/600 Ручной стартер  (503)
    Ручной стартер (503)
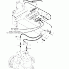
  • Skandic 500F/600 01- crankcase, rotary valve, water pump (593)
    01- crankcase, rotary valve, water pump (593)
  • Skandic 500F/600 Ручной стартер  (593)
    Ручной стартер (593)
  • Skandic 500F/600 Коленчатый вал и поршни (503)
    Коленчатый вал и поршни (503)
  • Skandic 500F/600 05- drive axle, track and belt guard
    05- drive axle, track and belt guard
  • Skandic 500F/600 Коленчатый вал и поршни (593)
    Коленчатый вал и поршни (593)
  • Skandic 500F/600 Вариатор
    Вариатор
  • Skandic 500F/600 Цилиндр, выпускной коллектор (503)
    Цилиндр, выпускной коллектор (503)
  • Skandic 500F/600 Ведомый шкив
    Ведомый шкив
  • Skandic 500F/600 Цилиндр, выпускной коллектор (593)
    Цилиндр, выпускной коллектор (593)
  • Skandic 500F/600 Трансмиссия
    Трансмиссия
  • Skandic 500F/600 Опора двигателя
    Опора двигателя
  • Skandic 500F/600 Тормоза
    Тормоза
  • Skandic 500F/600 Воздухоочиститель
    Воздухоочиститель
  • Skandic 500F/600 Передняя подвеска и лыжи
    Передняя подвеска и лыжи
  • Skandic 500F/600 Карбюратор
    Карбюратор
  • Skandic 500F/600 Рулевая система
    Рулевая система
  • Skandic 500F/600 Топливная система
    Топливная система
  • Skandic 500F/600 Задняя подвеска
    Задняя подвеска
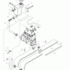
  • Skandic 500F/600 02- oil injection system (503)
    02- oil injection system (503)
  • Skandic 500F/600 09- cab, console, seat
    09- cab, console, seat
  • Skandic 500F/600 02- oil tank and support (503)
    02- oil tank and support (503)
  • Skandic 500F/600 09- cab, console, seat 2
    09- cab, console, seat 2
  • Skandic 500F/600 02- oil tank and support (593)
    02- oil tank and support (593)
  • Skandic 500F/600 Наклейки и акссесуары
    Наклейки и акссесуары
  • Skandic 500F/600 Зажигание (593)
    Зажигание (593)
  • Skandic 500F/600 Электрика
    Электрика
  • Skandic 500F/600 Магнето (12v, 290w) (593)
    Магнето (12v, 290w) (593)
  • Skandic 500F/600 Электрика 2
    Электрика 2


  Информация
  • Новости
  • О Компании
  • Оплата и Доставка
  • Помощь
  • Обратная связь
  • Контакты
  OEM запчасти
  • Запчасти для мотоциклов
  • Запчасти для квадроциклов
  • Запчасти для снегоходов
  • Запчасти для мотовездеходов
  • Запчасти для гидроциклов
  • Запчасти для лодочных моторов
  Наши контакты
  • ИП Зуев Артем Павлович
  • г. Москва 2-я Хуторская улица, д.29, офис 214
  • Email: info@partsfor.ru

Тел: ‎8(495) 532-03-60
8(909) 958-46-33; 8(925) 200-16-98

* все разговоры записываются
С 10.00 до 19.00 ПН - ПТ

© 2026 Интернет магазин запчастей для мототехники ПартсФор.

  • PaymentGateway
  • PaymentGateway
Договор-оферта
Образец договора для юр.лиц
Пользовательское соглашение
Политика конфиденциальности

Товар добавлен в корзину

Выбранный товар добавлен в Вашу корзину.
Далее Вы можете перейти в корзину для оформления заказа или закрыть это окно и продолжить покупки.

Перейти в корзину

Выбор модели техники

Выбрать