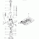
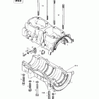
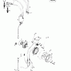
Skandic Wide Track (1998)

Оригинальные запчасти для снегоходов Ski-Doo (Bombardier)

Выбор узла

Skandic Wide Track (1998)