• О Компании
  • Оплата и Доставка
  • Помощь
  • Обратная связь
  • Контакты
  • Telegram
  • ВКонтакте
  • Telegram
  • ВКонтакте
  • Регистрация
  • Авторизация
Интернет магазин мотозапчастей PartsFor.ru
Москва и регионы России
  • Личный кабинет
    • Заказы
    • Оплаты
    • Отгрузки
    • Сообщения
    • Профиль
    • Выход
  • Оригинальные запчасти
    • Для мотоциклов
    • Yamaha
    • Honda
    • Suzuki
    • Kawasaki
    • Harley Davidson
    • Ducati
    • Can-Am
    • Aprilia
    • BMW
    • Triumph
    • Husaberg
    • Husqvarna
    • KTM
    • Indian
    • Victory
    • Slingshot
    • Для мотоциклов
    • Для квадроциклов
    • Для снегоходов
    • Для мотовездеходов
    • Для гидроциклов
    • Для лодочных моторов
    • Для катеров
    • Для судовых двигателей
    • Для генераторов
    • Для квадроциклов
    • Yamaha
    • Honda
    • Suzuki
    • Kawasaki
    • Arctic Cat
    • Can-Am
    • Polaris
    • KTM
    • Для снегоходов
    • Yamaha
    • Arctic Cat
    • Lynx
    • Ski-Doo
    • Polaris
    • Для генераторов
    • Для мотовездеходов
    • Yamaha
    • Honda
    • Suzuki
    • Kawasaki
    • Arctic Cat
    • Can-Am
    • Polaris
    • Polaris RZR
    • Для гидроциклов
    • Yamaha
    • Honda Marine
    • Kawasaki
    • Arctic Cat
    • Polaris
    • Sea-Doo
    • Для лодочных моторов
    • Для катеров
    • Для суд. двигателей
    • Для генераторов
    • Для лодочных моторов
    • Yamaha
    • Honda Marine
    • Suzuki Marine
    • Evinrude
    • Johnson
    • Nissan
    • Tohatsu
    • Mercury
    • Force
    • Mariner
    • Для катеров
    • Yamaha
    • Sea-Doo
    • Для суд. двигателей
    • Для спецтехники
  • Неоригинал, расходники
  • Заказ по каталогам
    • КАТАЛОГ PARTS UNLIMITED
  • Моторезина
  1. Главная
  2. Запчасти для снегоходов
  3. Ski-Doo (Bombardier)
  4. 1998
  5. MX Z 440 F

MX Z 440 F (1998)

Оригинальные запчасти для снегоходов Ski-Doo (Bombardier)

Выбор узла

MX Z 440 F (1998)
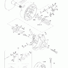
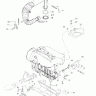
  • MX Z 440 F 01- cooling system  fan
    01- cooling system fan
  • MX Z 440 F Вариатор
    Вариатор
  • MX Z 440 F Картер
    Картер
  • MX Z 440 F Ведомый шкив
    Ведомый шкив
  • MX Z 440 F Коленвал и поршни
    Коленвал и поршни
  • MX Z 440 F Гидравличиские тормоза
    Гидравличиские тормоза
  • MX Z 440 F Цилинрд
    Цилинрд
  • MX Z 440 F Передняя подвеска и лыжи
    Передняя подвеска и лыжи
  • MX Z 440 F Крепление двигателя и глушитель
    Крепление двигателя и глушитель
  • MX Z 440 F Рулевая система
    Рулевая система
  • MX Z 440 F Карбюратор
    Карбюратор
  • MX Z 440 F Передний рычаг задней подвески
    Передний рычаг задней подвески
  • MX Z 440 F Топливная система
    Топливная система
  • MX Z 440 F Задний рычаг задней подвески
    Задний рычаг задней подвески
  • MX Z 440 F Масляная система
    Масляная система
  • MX Z 440 F Задняя подвеска
    Задняя подвеска
  • MX Z 440 F Масляный бак
    Масляный бак
  • MX Z 440 F Капот и передняя консоль
    Капот и передняя консоль
  • MX Z 440 F Магнето
    Магнето
  • MX Z 440 F Наклейки
    Наклейки
  • MX Z 440 F Ручной стартер
    Ручной стартер
  • MX Z 440 F Рама
    Рама
  • MX Z 440 F Картер трансмиссии
    Картер трансмиссии
  • MX Z 440 F Сидение
    Сидение
  • MX Z 440 F Привод трака и трак
    Привод трака и трак
  • MX Z 440 F Электрика
    Электрика
  • MX Z 440 F Электрика
    Электрика


  Информация
  • Новости
  • О Компании
  • Оплата и Доставка
  • Помощь
  • Обратная связь
  • Контакты
  OEM запчасти
  • Запчасти для мотоциклов
  • Запчасти для квадроциклов
  • Запчасти для снегоходов
  • Запчасти для мотовездеходов
  • Запчасти для гидроциклов
  • Запчасти для лодочных моторов
  Наши контакты
  • ИП Зуев Артем Павлович
  • г. Москва 2-я Хуторская улица, д.29, офис 214
  • Email: info@partsfor.ru

Тел: ‎8(495) 532-03-60
8(909) 958-46-33; 8(925) 200-16-98

* все разговоры записываются
С 10.00 до 19.00 ПН - ПТ

© 2026 Интернет магазин запчастей для мототехники ПартсФор.

  • PaymentGateway
  • PaymentGateway
Договор-оферта
Образец договора для юр.лиц
Пользовательское соглашение
Политика конфиденциальности

Товар добавлен в корзину

Выбранный товар добавлен в Вашу корзину.
Далее Вы можете перейти в корзину для оформления заказа или закрыть это окно и продолжить покупки.

Перейти в корзину

Выбор модели техники

Выбрать