• О Компании
  • Оплата и Доставка
  • Помощь
  • Обратная связь
  • Контакты
  • Telegram
  • ВКонтакте
  • Telegram
  • ВКонтакте
  • Регистрация
  • Авторизация
Интернет магазин мотозапчастей PartsFor.ru
Москва и регионы России
  • Личный кабинет
    • Заказы
    • Оплаты
    • Отгрузки
    • Сообщения
    • Профиль
    • Выход
  • Оригинальные запчасти
    • Для мотоциклов
    • Yamaha
    • Honda
    • Suzuki
    • Kawasaki
    • Harley Davidson
    • Ducati
    • Can-Am
    • Aprilia
    • BMW
    • Triumph
    • Husaberg
    • Husqvarna
    • KTM
    • Indian
    • Victory
    • Slingshot
    • Для мотоциклов
    • Для квадроциклов
    • Для снегоходов
    • Для мотовездеходов
    • Для гидроциклов
    • Для лодочных моторов
    • Для катеров
    • Для судовых двигателей
    • Для генераторов
    • Для квадроциклов
    • Yamaha
    • Honda
    • Suzuki
    • Kawasaki
    • Arctic Cat
    • Can-Am
    • Polaris
    • KTM
    • Для снегоходов
    • Yamaha
    • Arctic Cat
    • Lynx
    • Ski-Doo
    • Polaris
    • Для генераторов
    • Для мотовездеходов
    • Yamaha
    • Honda
    • Suzuki
    • Kawasaki
    • Arctic Cat
    • Can-Am
    • Polaris
    • Polaris RZR
    • Для гидроциклов
    • Yamaha
    • Honda Marine
    • Kawasaki
    • Arctic Cat
    • Polaris
    • Sea-Doo
    • Для лодочных моторов
    • Для катеров
    • Для суд. двигателей
    • Для генераторов
    • Для лодочных моторов
    • Yamaha
    • Honda Marine
    • Suzuki Marine
    • Evinrude
    • Johnson
    • Nissan
    • Tohatsu
    • Mercury
    • Force
    • Mariner
    • Для катеров
    • Yamaha
    • Sea-Doo
    • Для суд. двигателей
    • Для спецтехники
  • Неоригинал, расходники
  • Заказ по каталогам
    • КАТАЛОГ PARTS UNLIMITED
  • Моторезина
  1. Главная
  2. Запчасти для снегоходов
  3. Ski-Doo (Bombardier)
  4. 1997
  5. Grand Touring SE

Grand Touring SE (1997)

Оригинальные запчасти для снегоходов Ski-Doo (Bombardier)

Выбор узла

Grand Touring SE (1997)
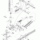
  • Grand Touring SE 01- cooling system (699)
    01- cooling system (699)
  • Grand Touring SE Вариатор
    Вариатор
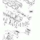
  • Grand Touring SE Картер, пластинчатый клапан, водяной насос (699)
    Картер, пластинчатый клапан, водяной насос (699)
  • Grand Touring SE Ведомый шкив
    Ведомый шкив
  • Grand Touring SE Коленчатый вал и поршень (699)
    Коленчатый вал и поршень (699)
  • Grand Touring SE Трансмиссия
    Трансмиссия
  • Grand Touring SE Цилиндр, выпускной коллектор (699)
    Цилиндр, выпускной коллектор (699)
  • Grand Touring SE Гидравличиские тормоза
    Гидравличиские тормоза
  • Grand Touring SE 01- engine support and muffler (699)
    01- engine support and muffler (699)
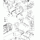
  • Grand Touring SE Передняя подвеска и лыжи
    Передняя подвеска и лыжи
  • Grand Touring SE Система забора воздуха
    Система забора воздуха
  • Grand Touring SE Рулевая система
    Рулевая система
  • Grand Touring SE Карбюратор (699)
    Карбюратор (699)
  • Grand Touring SE Воздушный амортизатор и компрессор
    Воздушный амортизатор и компрессор
  • Grand Touring SE 02- fuel system (699)
    02- fuel system (699)
  • Grand Touring SE Передний рычаг задней подвески
    Передний рычаг задней подвески
  • Grand Touring SE Масляный бак
    Масляный бак
  • Grand Touring SE Задний рычаг задней подвески
    Задний рычаг задней подвески
  • Grand Touring SE 03- ignition housing oil pump (699)
    03- ignition housing oil pump (699)
  • Grand Touring SE Задняя подвеска
    Задняя подвеска
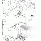
  • Grand Touring SE 03- magneto 12v 360w (699)
    03- magneto 12v 360w (699)
  • Grand Touring SE Капот и передняя консоль
    Капот и передняя консоль
  • Grand Touring SE Стартер электрический
    Стартер электрический
  • Grand Touring SE Наклейки
    Наклейки
  • Grand Touring SE 04- rewind starter (699)
    04- rewind starter (699)
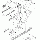
  • Grand Touring SE Рама
    Рама
  • Grand Touring SE Привод трака и трак
    Привод трака и трак
  • Grand Touring SE Сидение
    Сидение
  • Grand Touring SE Электрика
    Электрика


  Информация
  • Новости
  • О Компании
  • Оплата и Доставка
  • Помощь
  • Обратная связь
  • Контакты
  OEM запчасти
  • Запчасти для мотоциклов
  • Запчасти для квадроциклов
  • Запчасти для снегоходов
  • Запчасти для мотовездеходов
  • Запчасти для гидроциклов
  • Запчасти для лодочных моторов
  Наши контакты
  • ИП Зуев Артем Павлович
  • г. Москва 2-я Хуторская улица, д.29, офис 214
  • Email: info@partsfor.ru

Тел: ‎8(495) 532-03-60
8(909) 958-46-33; 8(925) 200-16-98

* все разговоры записываются
С 10.00 до 19.00 ПН - ПТ

© 2026 Интернет магазин запчастей для мототехники ПартсФор.

  • PaymentGateway
  • PaymentGateway
Договор-оферта
Образец договора для юр.лиц
Пользовательское соглашение
Политика конфиденциальности

Товар добавлен в корзину

Выбранный товар добавлен в Вашу корзину.
Далее Вы можете перейти в корзину для оформления заказа или закрыть это окно и продолжить покупки.

Перейти в корзину

Выбор модели техники

Выбрать