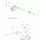
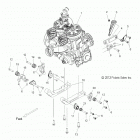
S19CBA6GSL 600 INDY 121 ES (2019)

Оригинальные запчасти для снегоходов Polaris

Выбор узла

S19CBA6GSL 600 INDY 121 ES (2019)