S18SJA5BSL/BEL 550 WIDETRAK LX ES/INTL (2018)

Оригинальные запчасти для снегоходов Polaris

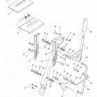
Выбор узла

S18SJA5BSL/BEL 550 WIDETRAK LX ES/INTL (2018)