800 RMK 155/163 ALL OPTIONS - S15CC8/CD8/CM8 (2015)

Оригинальные запчасти для снегоходов Polaris

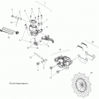
Выбор узла

800 RMK 155/163 ALL OPTIONS - S15CC8/CD8/CM8 (2015)