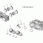
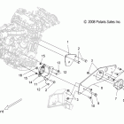
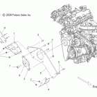
FS WIDETRAK IQ/INTL -S12PU7ESL/EEL (2012)

Оригинальные запчасти для снегоходов Polaris

Выбор узла

FS WIDETRAK IQ/INTL -S12PU7ESL/EEL (2012)