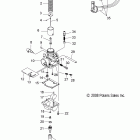
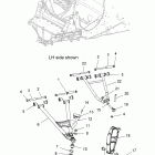
550 IQ SHIFT/ES/INTL - S12PB5BSA/BSL/BEA (2012)

Оригинальные запчасти для снегоходов Polaris

Выбор узла

550 IQ SHIFT/ES/INTL - S12PB5BSA/BSL/BEA (2012)