• О Компании
  • Оплата и Доставка
  • Помощь
  • Обратная связь
  • Контакты
  • Telegram
  • ВКонтакте
  • Telegram
  • ВКонтакте
  • Регистрация
  • Авторизация
Интернет магазин мотозапчастей PartsFor.ru
Москва и регионы России
  • Личный кабинет
    • Заказы
    • Оплаты
    • Отгрузки
    • Сообщения
    • Профиль
    • Выход
  • Оригинальные запчасти
    • Для мотоциклов
    • Yamaha
    • Honda
    • Suzuki
    • Kawasaki
    • Harley Davidson
    • Ducati
    • Can-Am
    • Aprilia
    • BMW
    • Triumph
    • Husaberg
    • Husqvarna
    • KTM
    • Indian
    • Victory
    • Slingshot
    • Для мотоциклов
    • Для квадроциклов
    • Для снегоходов
    • Для мотовездеходов
    • Для гидроциклов
    • Для лодочных моторов
    • Для катеров
    • Для судовых двигателей
    • Для генераторов
    • Для квадроциклов
    • Yamaha
    • Honda
    • Suzuki
    • Kawasaki
    • Arctic Cat
    • Can-Am
    • Polaris
    • KTM
    • Для снегоходов
    • Yamaha
    • Arctic Cat
    • Lynx
    • Ski-Doo
    • Polaris
    • Для генераторов
    • Для мотовездеходов
    • Yamaha
    • Honda
    • Suzuki
    • Kawasaki
    • Arctic Cat
    • Can-Am
    • Polaris
    • Polaris RZR
    • Для гидроциклов
    • Yamaha
    • Honda Marine
    • Kawasaki
    • Arctic Cat
    • Polaris
    • Sea-Doo
    • Для лодочных моторов
    • Для катеров
    • Для суд. двигателей
    • Для генераторов
    • Для лодочных моторов
    • Yamaha
    • Honda Marine
    • Suzuki Marine
    • Evinrude
    • Johnson
    • Nissan
    • Tohatsu
    • Mercury
    • Force
    • Mariner
    • Для катеров
    • Yamaha
    • Sea-Doo
    • Для суд. двигателей
    • Для спецтехники
  • Неоригинал, расходники
  • Заказ по каталогам
    • КАТАЛОГ PARTS UNLIMITED
  • Моторезина
  1. Главная
  2. Запчасти для снегоходов
  3. Polaris
  4. 2005
  5. 900 RMK ALL OPTIONS - S05PL8/PM8/PN8

900 RMK ALL OPTIONS - S05PL8/PM8/PN8 (2005)

Оригинальные запчасти для снегоходов Polaris

Выбор узла

900 RMK ALL OPTIONS - S05PL8/PM8/PN8 (2005)
  • 900 RMK ALL OPTIONS - S05PL8/PM8/PN8 Adjustable steering post
    Adjustable steering post
  • 900 RMK ALL OPTIONS - S05PL8/PM8/PN8 Front torque arm
    Front torque arm
  • 900 RMK ALL OPTIONS - S05PL8/PM8/PN8 Air intake system
    Air intake system
  • 900 RMK ALL OPTIONS - S05PL8/PM8/PN8 Топливный бак
    Топливный бак
  • 900 RMK ALL OPTIONS - S05PL8/PM8/PN8 Brake caliper mounting
    Brake caliper mounting
  • 900 RMK ALL OPTIONS - S05PL8/PM8/PN8 Руль
    Руль
  • 900 RMK ALL OPTIONS - S05PL8/PM8/PN8 Bumper and side panels
    Bumper and side panels
  • 900 RMK ALL OPTIONS - S05PL8/PM8/PN8 Фара
    Фара
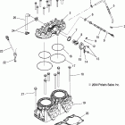
  • 900 RMK ALL OPTIONS - S05PL8/PM8/PN8 Трансмиссия
    Трансмиссия
  • 900 RMK ALL OPTIONS - S05PL8/PM8/PN8 Капот
    Капот
  • 900 RMK ALL OPTIONS - S05PL8/PM8/PN8 Шасси перед
    Шасси перед
  • 900 RMK ALL OPTIONS - S05PL8/PM8/PN8 Шумавая и тепловая защита капота
    Шумавая и тепловая защита капота
  • 900 RMK ALL OPTIONS - S05PL8/PM8/PN8 Шасси , задняя часть
    Шасси , задняя часть
  • 900 RMK ALL OPTIONS - S05PL8/PM8/PN8 Генератор
    Генератор
  • 900 RMK ALL OPTIONS - S05PL8/PM8/PN8 Панель передняя
    Панель передняя
  • 900 RMK ALL OPTIONS - S05PL8/PM8/PN8 Master cylinder / lh control
    Master cylinder / lh control
  • 900 RMK ALL OPTIONS - S05PL8/PM8/PN8 Охлаждение
    Охлаждение
  • 900 RMK ALL OPTIONS - S05PL8/PM8/PN8 Маслянный бачок
    Маслянный бачок
  • 900 RMK ALL OPTIONS - S05PL8/PM8/PN8 Crankcase / throttle body mounting
    Crankcase / throttle body mounting
  • 900 RMK ALL OPTIONS - S05PL8/PM8/PN8 Поршень и коленвал
    Поршень и коленвал
  • 900 RMK ALL OPTIONS - S05PL8/PM8/PN8 Цилиндры
    Цилиндры
  • 900 RMK ALL OPTIONS - S05PL8/PM8/PN8 Rail mounting suspension
    Rail mounting suspension
  • 900 RMK ALL OPTIONS - S05PL8/PM8/PN8 Наклейки
    Наклейки
  • 900 RMK ALL OPTIONS - S05PL8/PM8/PN8 Rear torque arm
    Rear torque arm
  • 900 RMK ALL OPTIONS - S05PL8/PM8/PN8 Наклейки
    Наклейки
  • 900 RMK ALL OPTIONS - S05PL8/PM8/PN8 Recoil
    Recoil
  • 900 RMK ALL OPTIONS - S05PL8/PM8/PN8 Муфта сцепления
    Муфта сцепления
  • 900 RMK ALL OPTIONS - S05PL8/PM8/PN8 Сидение
    Сидение
  • 900 RMK ALL OPTIONS - S05PL8/PM8/PN8 Приводной вал
    Приводной вал
  • 900 RMK ALL OPTIONS - S05PL8/PM8/PN8 Shock front track
    Shock front track
  • 900 RMK ALL OPTIONS - S05PL8/PM8/PN8 Привод сцепления
    Привод сцепления
  • 900 RMK ALL OPTIONS - S05PL8/PM8/PN8 Shock ifs
    Shock ifs
  • 900 RMK ALL OPTIONS - S05PL8/PM8/PN8 Электрика
    Электрика
  • 900 RMK ALL OPTIONS - S05PL8/PM8/PN8 Shock rear track
    Shock rear track
  • 900 RMK ALL OPTIONS - S05PL8/PM8/PN8 Engine mounting lh
    Engine mounting lh
  • 900 RMK ALL OPTIONS - S05PL8/PM8/PN8 Лыжа
    Лыжа
  • 900 RMK ALL OPTIONS - S05PL8/PM8/PN8 Engine mounting rh and front
    Engine mounting rh and front
  • 900 RMK ALL OPTIONS - S05PL8/PM8/PN8 Управление
    Управление
  • 900 RMK ALL OPTIONS - S05PL8/PM8/PN8 Выхлопная система
    Выхлопная система
  • 900 RMK ALL OPTIONS - S05PL8/PM8/PN8 Подвеска
    Подвеска
  • 900 RMK ALL OPTIONS - S05PL8/PM8/PN8 Выпускной клапан
    Выпускной клапан
  • 900 RMK ALL OPTIONS - S05PL8/PM8/PN8 Стабилизатор
    Стабилизатор
  • 900 RMK ALL OPTIONS - S05PL8/PM8/PN8 Передняя подвеска
    Передняя подвеска
  • 900 RMK ALL OPTIONS - S05PL8/PM8/PN8 Инструмент
    Инструмент
  • 900 RMK ALL OPTIONS - S05PL8/PM8/PN8 Насосы  / масляный и водяной
    Насосы / масляный и водяной


  Информация
  • Новости
  • О Компании
  • Оплата и Доставка
  • Помощь
  • Обратная связь
  • Контакты
  OEM запчасти
  • Запчасти для мотоциклов
  • Запчасти для квадроциклов
  • Запчасти для снегоходов
  • Запчасти для мотовездеходов
  • Запчасти для гидроциклов
  • Запчасти для лодочных моторов
  Наши контакты
  • ИП Зуев Артем Павлович
  • г. Москва 2-я Хуторская улица, д.29, офис 214
  • Email: info@partsfor.ru

Тел: ‎8(495) 532-03-60
8(909) 958-46-33; 8(925) 200-16-98

* все разговоры записываются
С 10.00 до 19.00 ПН - ПТ

© 2026 Интернет магазин запчастей для мототехники ПартсФор.

  • PaymentGateway
  • PaymentGateway
Договор-оферта
Образец договора для юр.лиц
Пользовательское соглашение
Политика конфиденциальности

Товар добавлен в корзину

Выбранный товар добавлен в Вашу корзину.
Далее Вы можете перейти в корзину для оформления заказа или закрыть это окно и продолжить покупки.

Перейти в корзину

Выбор модели техники

Выбрать