• О Компании
  • Оплата и Доставка
  • Помощь
  • Обратная связь
  • Контакты
  • Telegram
  • ВКонтакте
  • Telegram
  • ВКонтакте
  • Регистрация
  • Авторизация
Интернет магазин мотозапчастей PartsFor.ru
Москва и регионы России
  • Личный кабинет
    • Заказы
    • Оплаты
    • Отгрузки
    • Сообщения
    • Профиль
    • Выход
  • Оригинальные запчасти
    • Для мотоциклов
    • Yamaha
    • Honda
    • Suzuki
    • Kawasaki
    • Harley Davidson
    • Ducati
    • Can-Am
    • Aprilia
    • BMW
    • Triumph
    • Husaberg
    • Husqvarna
    • KTM
    • Indian
    • Victory
    • Slingshot
    • Для мотоциклов
    • Для квадроциклов
    • Для снегоходов
    • Для мотовездеходов
    • Для гидроциклов
    • Для лодочных моторов
    • Для катеров
    • Для судовых двигателей
    • Для генераторов
    • Для квадроциклов
    • Yamaha
    • Honda
    • Suzuki
    • Kawasaki
    • Arctic Cat
    • Can-Am
    • Polaris
    • KTM
    • Для снегоходов
    • Yamaha
    • Arctic Cat
    • Lynx
    • Ski-Doo
    • Polaris
    • Для генераторов
    • Для мотовездеходов
    • Yamaha
    • Honda
    • Suzuki
    • Kawasaki
    • Arctic Cat
    • Can-Am
    • Polaris
    • Polaris RZR
    • Для гидроциклов
    • Yamaha
    • Honda Marine
    • Kawasaki
    • Arctic Cat
    • Polaris
    • Sea-Doo
    • Для лодочных моторов
    • Для катеров
    • Для суд. двигателей
    • Для генераторов
    • Для лодочных моторов
    • Yamaha
    • Honda Marine
    • Suzuki Marine
    • Evinrude
    • Johnson
    • Nissan
    • Tohatsu
    • Mercury
    • Force
    • Mariner
    • Для катеров
    • Yamaha
    • Sea-Doo
    • Для суд. двигателей
    • Для спецтехники
  • Неоригинал, расходники
  • Заказ по каталогам
    • КАТАЛОГ PARTS UNLIMITED
  • Моторезина
  1. Главная
  2. Запчасти для снегоходов
  3. Polaris
  4. 2000
  5. 600 XC SP S00SP6ES

600 XC SP S00SP6ES (2000)

Оригинальные запчасти для снегоходов Polaris

Выбор узла

600 XC SP S00SP6ES (2000)
  • 600 XC SP S00SP6ES Воздушный фильтр
    Воздушный фильтр
  • 600 XC SP S00SP6ES Front torque arm
    Front torque arm
  • 600 XC SP S00SP6ES Тормоза
    Тормоза
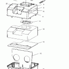
  • 600 XC SP S00SP6ES Капот
    Капот
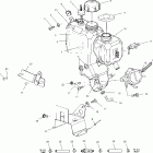
  • 600 XC SP S00SP6ES Карбюратор
    Карбюратор
  • 600 XC SP S00SP6ES Капот
    Капот
  • 600 XC SP S00SP6ES Трансмиссия
    Трансмиссия
  • 600 XC SP S00SP6ES Генератор
    Генератор
  • 600 XC SP S00SP6ES Панель передняя
    Панель передняя
  • 600 XC SP S00SP6ES Nosepan
    Nosepan
  • 600 XC SP S00SP6ES Система охлаждения
    Система охлаждения
  • 600 XC SP S00SP6ES Картер
    Картер
  • 600 XC SP S00SP6ES Маслянный банк
    Маслянный банк
  • 600 XC SP S00SP6ES Цилиндры
    Цилиндры
  • 600 XC SP S00SP6ES Поршень и коленвал
    Поршень и коленвал
  • 600 XC SP S00SP6ES Наклейки
    Наклейки
  • 600 XC SP S00SP6ES Rail mounting (suspension)
    Rail mounting (suspension)
  • 600 XC SP S00SP6ES Муфта сцепления
    Муфта сцепления
  • 600 XC SP S00SP6ES Rear torque arm
    Rear torque arm
  • 600 XC SP S00SP6ES Приводной вал
    Приводной вал
  • 600 XC SP S00SP6ES Ручной стартер
    Ручной стартер
  • 600 XC SP S00SP6ES Привод сцепления
    Привод сцепления
  • 600 XC SP S00SP6ES Seat and gas tank
    Seat and gas tank
  • 600 XC SP S00SP6ES Крепление двигателя
    Крепление двигателя
  • 600 XC SP S00SP6ES Лыжа
    Лыжа
  • 600 XC SP S00SP6ES Глушитель
    Глушитель
  • 600 XC SP S00SP6ES Управление
    Управление
  • 600 XC SP S00SP6ES Fox shock
    Fox shock
  • 600 XC SP S00SP6ES Управление
    Управление
  • 600 XC SP S00SP6ES Fox shock
    Fox shock
  • 600 XC SP S00SP6ES Подвеска
    Подвеска
  • 600 XC SP S00SP6ES Fox shock
    Fox shock
  • 600 XC SP S00SP6ES Инструмент
    Инструмент
  • 600 XC SP S00SP6ES Передняя подвеска
    Передняя подвеска
  • 600 XC SP S00SP6ES Tunnel
    Tunnel
  • 600 XC SP S00SP6ES Водяной  и масляный насосы
    Водяной и масляный насосы


  Информация
  • Новости
  • О Компании
  • Оплата и Доставка
  • Помощь
  • Обратная связь
  • Контакты
  OEM запчасти
  • Запчасти для мотоциклов
  • Запчасти для квадроциклов
  • Запчасти для снегоходов
  • Запчасти для мотовездеходов
  • Запчасти для гидроциклов
  • Запчасти для лодочных моторов
  Наши контакты
  • ИП Зуев Артем Павлович
  • г. Москва 2-я Хуторская улица, д.29, офис 214
  • Email: info@partsfor.ru

Тел: ‎8(495) 532-03-60
8(909) 958-46-33; 8(925) 200-16-98

* все разговоры записываются
С 10.00 до 19.00 ПН - ПТ

© 2026 Интернет магазин запчастей для мототехники ПартсФор.

  • PaymentGateway
  • PaymentGateway
Договор-оферта
Образец договора для юр.лиц
Пользовательское соглашение
Политика конфиденциальности

Товар добавлен в корзину

Выбранный товар добавлен в Вашу корзину.
Далее Вы можете перейти в корзину для оформления заказа или закрыть это окно и продолжить покупки.

Перейти в корзину

Выбор модели техники

Выбрать