• О Компании
  • Оплата и Доставка
  • Помощь
  • Обратная связь
  • Контакты
  • Telegram
  • ВКонтакте
  • Telegram
  • ВКонтакте
  • Регистрация
  • Авторизация
Интернет магазин мотозапчастей PartsFor.ru
Москва и регионы России
  • Личный кабинет
    • Заказы
    • Оплаты
    • Отгрузки
    • Сообщения
    • Профиль
    • Выход
  • Оригинальные запчасти
    • Для мотоциклов
    • Yamaha
    • Honda
    • Suzuki
    • Kawasaki
    • Harley Davidson
    • Ducati
    • Can-Am
    • Aprilia
    • BMW
    • Triumph
    • Husaberg
    • Husqvarna
    • KTM
    • Indian
    • Victory
    • Slingshot
    • Для мотоциклов
    • Для квадроциклов
    • Для снегоходов
    • Для мотовездеходов
    • Для гидроциклов
    • Для лодочных моторов
    • Для катеров
    • Для судовых двигателей
    • Для генераторов
    • Для квадроциклов
    • Yamaha
    • Honda
    • Suzuki
    • Kawasaki
    • Arctic Cat
    • Can-Am
    • Polaris
    • KTM
    • Для снегоходов
    • Yamaha
    • Arctic Cat
    • Lynx
    • Ski-Doo
    • Polaris
    • Для генераторов
    • Для мотовездеходов
    • Yamaha
    • Honda
    • Suzuki
    • Kawasaki
    • Arctic Cat
    • Can-Am
    • Polaris
    • Polaris RZR
    • Для гидроциклов
    • Yamaha
    • Honda Marine
    • Kawasaki
    • Arctic Cat
    • Polaris
    • Sea-Doo
    • Для лодочных моторов
    • Для катеров
    • Для суд. двигателей
    • Для генераторов
    • Для лодочных моторов
    • Yamaha
    • Honda Marine
    • Suzuki Marine
    • Evinrude
    • Johnson
    • Nissan
    • Tohatsu
    • Mercury
    • Force
    • Mariner
    • Для катеров
    • Yamaha
    • Sea-Doo
    • Для суд. двигателей
    • Для спецтехники
  • Неоригинал, расходники
  • Заказ по каталогам
    • КАТАЛОГ PARTS UNLIMITED
  • Моторезина
  1. Главная
  2. Запчасти для снегоходов
  3. Polaris
  4. 2000
  5. 500 RMK - S00SR5AS

500 RMK - S00SR5AS (2000)

Оригинальные запчасти для снегоходов Polaris

Выбор узла

500 RMK - S00SR5AS (2000)
  • 500 RMK - S00SR5AS Воздушный фильтр
    Воздушный фильтр
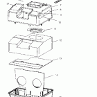
  • 500 RMK - S00SR5AS Капот
    Капот
  • 500 RMK - S00SR5AS Тормоза
    Тормоза
  • 500 RMK - S00SR5AS Карбюратор
    Карбюратор
  • 500 RMK - S00SR5AS Генератор
    Генератор
  • 500 RMK - S00SR5AS Nosepan
    Nosepan
  • 500 RMK - S00SR5AS Трансмиссия
    Трансмиссия
  • 500 RMK - S00SR5AS Панель передняя
    Панель передняя
  • 500 RMK - S00SR5AS Маслянный банк
    Маслянный банк
  • 500 RMK - S00SR5AS Система охлаждения
    Система охлаждения
  • 500 RMK - S00SR5AS Поршень и коленвал
    Поршень и коленвал
  • 500 RMK - S00SR5AS Картер
    Картер
  • 500 RMK - S00SR5AS Rail mounting suspension
    Rail mounting suspension
  • 500 RMK - S00SR5AS Цилиндры
    Цилиндры
  • 500 RMK - S00SR5AS Rear torque arm
    Rear torque arm
  • 500 RMK - S00SR5AS Наклейки
    Наклейки
  • 500 RMK - S00SR5AS Ручной стартер
    Ручной стартер
  • 500 RMK - S00SR5AS Муфта сцепления
    Муфта сцепления
  • 500 RMK - S00SR5AS Seat and gas tank
    Seat and gas tank
  • 500 RMK - S00SR5AS Приводной вал
    Приводной вал
  • 500 RMK - S00SR5AS Лыжа
    Лыжа
  • 500 RMK - S00SR5AS Привод сцепления
    Привод сцепления
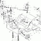
  • 500 RMK - S00SR5AS Управление
    Управление
  • 500 RMK - S00SR5AS Крепление двигателя
    Крепление двигателя
  • 500 RMK - S00SR5AS Управление
    Управление
  • 500 RMK - S00SR5AS Глушитель
    Глушитель
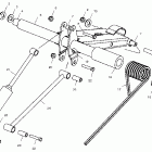
  • 500 RMK - S00SR5AS Подвеска
    Подвеска
  • 500 RMK - S00SR5AS Передняя подвеска
    Передняя подвеска
  • 500 RMK - S00SR5AS Инструмент
    Инструмент
  • 500 RMK - S00SR5AS Front torque arm
    Front torque arm
  • 500 RMK - S00SR5AS Tunnel
    Tunnel
  • 500 RMK - S00SR5AS Капот
    Капот
  • 500 RMK - S00SR5AS Водяной  и масляный насосы
    Водяной и масляный насосы


  Информация
  • Новости
  • О Компании
  • Оплата и Доставка
  • Помощь
  • Обратная связь
  • Контакты
  OEM запчасти
  • Запчасти для мотоциклов
  • Запчасти для квадроциклов
  • Запчасти для снегоходов
  • Запчасти для мотовездеходов
  • Запчасти для гидроциклов
  • Запчасти для лодочных моторов
  Наши контакты
  • ИП Зуев Артем Павлович
  • г. Москва 2-я Хуторская улица, д.29, офис 214
  • Email: info@partsfor.ru

Тел: ‎8(495) 532-03-60
8(909) 958-46-33; 8(925) 200-16-98

* все разговоры записываются
С 10.00 до 19.00 ПН - ПТ

© 2026 Интернет магазин запчастей для мототехники ПартсФор.

  • PaymentGateway
  • PaymentGateway
Договор-оферта
Образец договора для юр.лиц
Пользовательское соглашение
Политика конфиденциальности

Товар добавлен в корзину

Выбранный товар добавлен в Вашу корзину.
Далее Вы можете перейти в корзину для оформления заказа или закрыть это окно и продолжить покупки.

Перейти в корзину

Выбор модели техники

Выбрать