• О Компании
  • Оплата и Доставка
  • Помощь
  • Обратная связь
  • Контакты
  • Telegram
  • ВКонтакте
  • Telegram
  • ВКонтакте
  • Регистрация
  • Авторизация
Интернет магазин мотозапчастей PartsFor.ru
Москва и регионы России
  • Личный кабинет
    • Заказы
    • Оплаты
    • Отгрузки
    • Сообщения
    • Профиль
    • Выход
  • Оригинальные запчасти
    • Для мотоциклов
    • Yamaha
    • Honda
    • Suzuki
    • Kawasaki
    • Harley Davidson
    • Ducati
    • Can-Am
    • Aprilia
    • BMW
    • Triumph
    • Husaberg
    • Husqvarna
    • KTM
    • Indian
    • Victory
    • Slingshot
    • Для мотоциклов
    • Для квадроциклов
    • Для снегоходов
    • Для мотовездеходов
    • Для гидроциклов
    • Для лодочных моторов
    • Для катеров
    • Для судовых двигателей
    • Для генераторов
    • Для квадроциклов
    • Yamaha
    • Honda
    • Suzuki
    • Kawasaki
    • Arctic Cat
    • Can-Am
    • Polaris
    • KTM
    • Для снегоходов
    • Yamaha
    • Arctic Cat
    • Lynx
    • Ski-Doo
    • Polaris
    • Для генераторов
    • Для мотовездеходов
    • Yamaha
    • Honda
    • Suzuki
    • Kawasaki
    • Arctic Cat
    • Can-Am
    • Polaris
    • Polaris RZR
    • Для гидроциклов
    • Yamaha
    • Honda Marine
    • Kawasaki
    • Arctic Cat
    • Polaris
    • Sea-Doo
    • Для лодочных моторов
    • Для катеров
    • Для суд. двигателей
    • Для генераторов
    • Для лодочных моторов
    • Yamaha
    • Honda Marine
    • Suzuki Marine
    • Evinrude
    • Johnson
    • Nissan
    • Tohatsu
    • Mercury
    • Force
    • Mariner
    • Для катеров
    • Yamaha
    • Sea-Doo
    • Для суд. двигателей
    • Для спецтехники
  • Неоригинал, расходники
  • Заказ по каталогам
    • КАТАЛОГ PARTS UNLIMITED
  • Моторезина
  1. Главная
  2. Запчасти для снегоходов
  3. Polaris
  4. 1999
  5. INDY 340 TOURING - 099LT3AS

INDY 340 TOURING - 099LT3AS (1999)

Оригинальные запчасти для снегоходов Polaris

Выбор узла

INDY 340 TOURING - 099LT3AS (1999)
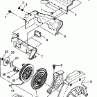
  • INDY 340 TOURING - 099LT3AS Blower housing & recoil
    Blower housing & recoil
  • INDY 340 TOURING - 099LT3AS Топливный насос
    Топливный насос
  • INDY 340 TOURING - 099LT3AS Тормоза
    Тормоза
  • INDY 340 TOURING - 099LT3AS Капот
    Капот
  • INDY 340 TOURING - 099LT3AS Карбюратор
    Карбюратор
  • INDY 340 TOURING - 099LT3AS Трансмиссия
    Трансмиссия
  • INDY 340 TOURING - 099LT3AS Генератор
    Генератор
  • INDY 340 TOURING - 099LT3AS Картер
    Картер
  • INDY 340 TOURING - 099LT3AS Nosepan and console
    Nosepan and console
  • INDY 340 TOURING - 099LT3AS Цилиндры
    Цилиндры
  • INDY 340 TOURING - 099LT3AS Масляный насос
    Масляный насос
  • INDY 340 TOURING - 099LT3AS Наклейки
    Наклейки
  • INDY 340 TOURING - 099LT3AS Oil tank  /  air box
    Oil tank / air box
  • INDY 340 TOURING - 099LT3AS Муфта сцепления
    Муфта сцепления
  • INDY 340 TOURING - 099LT3AS Поршень и коленвал
    Поршень и коленвал
  • INDY 340 TOURING - 099LT3AS Приводной вал
    Приводной вал
  • INDY 340 TOURING - 099LT3AS Rack and tunnel extension
    Rack and tunnel extension
  • INDY 340 TOURING - 099LT3AS Привод сцепления
    Привод сцепления
  • INDY 340 TOURING - 099LT3AS Rail mounting suspension
    Rail mounting suspension
  • INDY 340 TOURING - 099LT3AS Крепление двигателя
    Крепление двигателя
  • INDY 340 TOURING - 099LT3AS Rear torque arm
    Rear torque arm
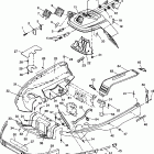
  • INDY 340 TOURING - 099LT3AS Глушитель
    Глушитель
  • INDY 340 TOURING - 099LT3AS Управление
    Управление
  • INDY 340 TOURING - 099LT3AS Front suspension and ski
    Front suspension and ski
  • INDY 340 TOURING - 099LT3AS Подвеска
    Подвеска
  • INDY 340 TOURING - 099LT3AS Front torque arm
    Front torque arm
  • INDY 340 TOURING - 099LT3AS Инструмент
    Инструмент
  • INDY 340 TOURING - 099LT3AS Tunnel and seat
    Tunnel and seat


  Информация
  • Новости
  • О Компании
  • Оплата и Доставка
  • Помощь
  • Обратная связь
  • Контакты
  OEM запчасти
  • Запчасти для мотоциклов
  • Запчасти для квадроциклов
  • Запчасти для снегоходов
  • Запчасти для мотовездеходов
  • Запчасти для гидроциклов
  • Запчасти для лодочных моторов
  Наши контакты
  • ИП Зуев Артем Павлович
  • г. Москва 2-я Хуторская улица, д.29, офис 214
  • Email: info@partsfor.ru

Тел: ‎8(495) 532-03-60
8(909) 958-46-33; 8(925) 200-16-98

* все разговоры записываются
С 10.00 до 19.00 ПН - ПТ

© 2026 Интернет магазин запчастей для мототехники ПартсФор.

  • PaymentGateway
  • PaymentGateway
Договор-оферта
Образец договора для юр.лиц
Пользовательское соглашение
Политика конфиденциальности

Товар добавлен в корзину

Выбранный товар добавлен в Вашу корзину.
Далее Вы можете перейти в корзину для оформления заказа или закрыть это окно и продолжить покупки.

Перейти в корзину

Выбор модели техники

Выбрать