• О Компании
  • Оплата и Доставка
  • Помощь
  • Обратная связь
  • Контакты
  • Telegram
  • ВКонтакте
  • Telegram
  • ВКонтакте
  • Регистрация
  • Авторизация
Интернет магазин мотозапчастей PartsFor.ru
Москва и регионы России
  • Личный кабинет
    • Заказы
    • Оплаты
    • Отгрузки
    • Сообщения
    • Профиль
    • Выход
  • Оригинальные запчасти
    • Для мотоциклов
    • Yamaha
    • Honda
    • Suzuki
    • Kawasaki
    • Harley Davidson
    • Ducati
    • Can-Am
    • Aprilia
    • BMW
    • Triumph
    • Husaberg
    • Husqvarna
    • KTM
    • Indian
    • Victory
    • Slingshot
    • Для мотоциклов
    • Для квадроциклов
    • Для снегоходов
    • Для мотовездеходов
    • Для гидроциклов
    • Для лодочных моторов
    • Для катеров
    • Для судовых двигателей
    • Для генераторов
    • Для квадроциклов
    • Yamaha
    • Honda
    • Suzuki
    • Kawasaki
    • Arctic Cat
    • Can-Am
    • Polaris
    • KTM
    • Для снегоходов
    • Yamaha
    • Arctic Cat
    • Lynx
    • Ski-Doo
    • Polaris
    • Для генераторов
    • Для мотовездеходов
    • Yamaha
    • Honda
    • Suzuki
    • Kawasaki
    • Arctic Cat
    • Can-Am
    • Polaris
    • Polaris RZR
    • Для гидроциклов
    • Yamaha
    • Honda Marine
    • Kawasaki
    • Arctic Cat
    • Polaris
    • Sea-Doo
    • Для лодочных моторов
    • Для катеров
    • Для суд. двигателей
    • Для генераторов
    • Для лодочных моторов
    • Yamaha
    • Honda Marine
    • Suzuki Marine
    • Evinrude
    • Johnson
    • Nissan
    • Tohatsu
    • Mercury
    • Force
    • Mariner
    • Для катеров
    • Yamaha
    • Sea-Doo
    • Для суд. двигателей
    • Для спецтехники
  • Неоригинал, расходники
  • Заказ по каталогам
    • КАТАЛОГ PARTS UNLIMITED
  • Моторезина
  1. Главная
  2. Запчасти для снегоходов
  3. Polaris
  4. 1998
  5. STORM - 0985782

STORM - 0985782 (1998)

Оригинальные запчасти для снегоходов Polaris

Выбор узла

STORM - 0985782 (1998)
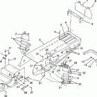
  • STORM - 0985782 Тормоза
    Тормоза
  • STORM - 0985782 Капот
    Капот
  • STORM - 0985782 Carburetor storm 0985782
    Carburetor storm 0985782
  • STORM - 0985782 Hood storm 0985782
    Hood storm 0985782
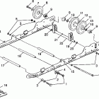
  • STORM - 0985782 Трансмиссия
    Трансмиссия
  • STORM - 0985782 Instruments storm 0985782
    Instruments storm 0985782
  • STORM - 0985782 Console and wire harness storm 0985782
    Console and wire harness storm 0985782
  • STORM - 0985782 Magneto storm 0985782
    Magneto storm 0985782
  • STORM - 0985782 Controls - 0985782
    Controls - 0985782
  • STORM - 0985782 Nosepan storm 0985782
    Nosepan storm 0985782
  • STORM - 0985782 Система охлаждения
    Система охлаждения
  • STORM - 0985782 Картер
    Картер
  • STORM - 0985782 Oil pump storm 0985782
    Oil pump storm 0985782
  • STORM - 0985782 Cylinder and manifold
    Cylinder and manifold
  • STORM - 0985782 Oil tank  /  air box
    Oil tank / air box
  • STORM - 0985782 Decals storm 0985782
    Decals storm 0985782
  • STORM - 0985782 Поршень и коленвал
    Поршень и коленвал
  • STORM - 0985782 Муфта сцепления
    Муфта сцепления
  • STORM - 0985782 Rail mounting (suspension)
    Rail mounting (suspension)
  • STORM - 0985782 Приводной вал
    Приводной вал
  • STORM - 0985782 Rear torque arm
    Rear torque arm
  • STORM - 0985782 Привод сцепления
    Привод сцепления
  • STORM - 0985782 Recoil starter storm o985782
    Recoil starter storm o985782
  • STORM - 0985782 Крепление двигателя
    Крепление двигателя
  • STORM - 0985782 Seat and gas tank storm 0985782
    Seat and gas tank storm 0985782
  • STORM - 0985782 Глушитель
    Глушитель
  • STORM - 0985782 Лыжа
    Лыжа
  • STORM - 0985782 Fox shock
    Fox shock
  • STORM - 0985782 Управление
    Управление
  • STORM - 0985782 Fox shock
    Fox shock
  • STORM - 0985782 Управление
    Управление
  • STORM - 0985782 Fox shock
    Fox shock
  • STORM - 0985782 Подвеска
    Подвеска
  • STORM - 0985782 Передняя подвеска
    Передняя подвеска
  • STORM - 0985782 Tool kit / box
    Tool kit / box
  • STORM - 0985782 Front torque arm
    Front torque arm
  • STORM - 0985782 Tunnel storm 0985782
    Tunnel storm 0985782
  • STORM - 0985782 Fuel pump storm 0985782
    Fuel pump storm 0985782
  • STORM - 0985782 Water pump storm 0985782
    Water pump storm 0985782


  Информация
  • Новости
  • О Компании
  • Оплата и Доставка
  • Помощь
  • Обратная связь
  • Контакты
  OEM запчасти
  • Запчасти для мотоциклов
  • Запчасти для квадроциклов
  • Запчасти для снегоходов
  • Запчасти для мотовездеходов
  • Запчасти для гидроциклов
  • Запчасти для лодочных моторов
  Наши контакты
  • ИП Зуев Артем Павлович
  • г. Москва 2-я Хуторская улица, д.29, офис 214
  • Email: info@partsfor.ru

Тел: ‎8(495) 532-03-60
8(909) 958-46-33; 8(925) 200-16-98

* все разговоры записываются
С 10.00 до 19.00 ПН - ПТ

© 2026 Интернет магазин запчастей для мототехники ПартсФор.

  • PaymentGateway
  • PaymentGateway
Договор-оферта
Образец договора для юр.лиц
Пользовательское соглашение
Политика конфиденциальности

Товар добавлен в корзину

Выбранный товар добавлен в Вашу корзину.
Далее Вы можете перейти в корзину для оформления заказа или закрыть это окно и продолжить покупки.

Перейти в корзину

Выбор модели техники

Выбрать