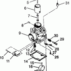
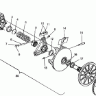
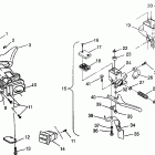
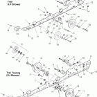
E972761 EURO TRAIL (1997)

Оригинальные запчасти для снегоходов Polaris

Выбор узла

E972761 EURO TRAIL (1997)