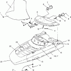
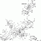
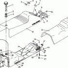
0962564 500 CARB SKS (1996)

Оригинальные запчасти для снегоходов Polaris

Выбор узла

0962564 500 CARB SKS (1996)