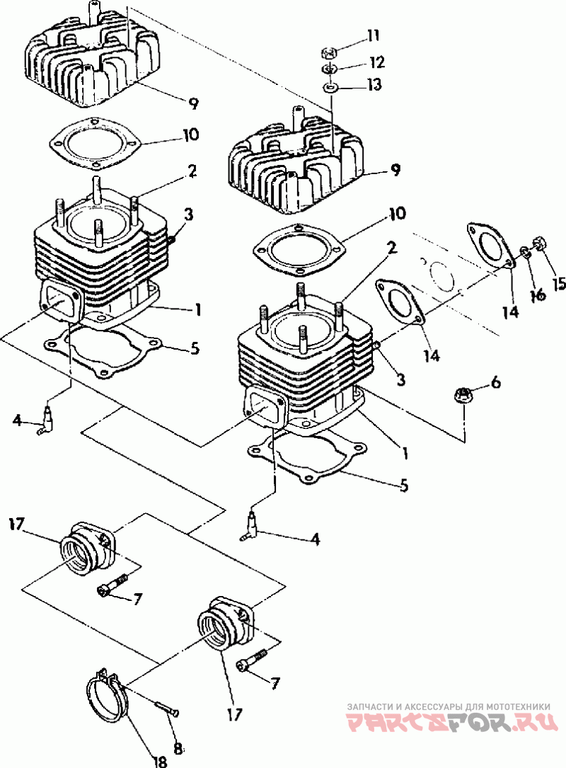
Cylinder indy lite

Polaris 0923033 LITE

Polaris
#oem кодцена
1
3083570
Деталь Asm., Cylinder (incl. 2-4)
2
3080283
Шпилька
3
3080016
Деталь Stud (10)
4
3086785
Клапан, обратный
5
3085843
Деталь Gasket-cylinder
6
3082910
Гайка (отпуск.по 10шт)
7
3081330
Болт
8
3081497
Винт (отпуск.по 10 шт)
9
3083573
Головка цилиндров
10
3085844
Деталь Asm., Gasket, Head
11
3080119
Гайка
12
3080530
Гровер
13
3080142
Шайба (отпускается по 10шт)
14
3085845
Деталь Asm., Gasket, Exhaust
15
3087199
Гайка
17
3083576
Деталь Asm., Adapter
18
3082257
Деталь Asm., Band, Adapter