• О Компании
  • Оплата и Доставка
  • Помощь
  • Обратная связь
  • Контакты
  • Telegram
  • ВКонтакте
  • Telegram
  • ВКонтакте
  • Регистрация
  • Авторизация
Интернет магазин мотозапчастей PartsFor.ru
Москва и регионы России
  • Личный кабинет
    • Заказы
    • Оплаты
    • Отгрузки
    • Сообщения
    • Профиль
    • Выход
  • Оригинальные запчасти
    • Для мотоциклов
    • Yamaha
    • Honda
    • Suzuki
    • Kawasaki
    • Harley Davidson
    • Ducati
    • Can-Am
    • Aprilia
    • BMW
    • Triumph
    • Husaberg
    • Husqvarna
    • KTM
    • Indian
    • Victory
    • Slingshot
    • Для мотоциклов
    • Для квадроциклов
    • Для снегоходов
    • Для мотовездеходов
    • Для гидроциклов
    • Для лодочных моторов
    • Для катеров
    • Для судовых двигателей
    • Для генераторов
    • Для квадроциклов
    • Yamaha
    • Honda
    • Suzuki
    • Kawasaki
    • Arctic Cat
    • Can-Am
    • Polaris
    • KTM
    • Для снегоходов
    • Yamaha
    • Arctic Cat
    • Lynx
    • Ski-Doo
    • Polaris
    • Для генераторов
    • Для мотовездеходов
    • Yamaha
    • Honda
    • Suzuki
    • Kawasaki
    • Arctic Cat
    • Can-Am
    • Polaris
    • Polaris RZR
    • Для гидроциклов
    • Yamaha
    • Honda Marine
    • Kawasaki
    • Arctic Cat
    • Polaris
    • Sea-Doo
    • Для лодочных моторов
    • Для катеров
    • Для суд. двигателей
    • Для генераторов
    • Для лодочных моторов
    • Yamaha
    • Honda Marine
    • Suzuki Marine
    • Evinrude
    • Johnson
    • Nissan
    • Tohatsu
    • Mercury
    • Force
    • Mariner
    • Для катеров
    • Yamaha
    • Sea-Doo
    • Для суд. двигателей
    • Для спецтехники
  • Неоригинал, расходники
  • Заказ по каталогам
    • КАТАЛОГ PARTS UNLIMITED
  • Моторезина
  1. Главная
  2. Запчасти для снегоходов
  3. Polaris
  4. 1992
  5. 0920161 SUPERTRAK

0920161 SUPERTRAK (1992)

Оригинальные запчасти для снегоходов Polaris

Выбор узла

0920161 SUPERTRAK (1992)
  • 0920161 SUPERTRAK Blower housing and recoil starter supertrak
    Blower housing and recoil starter supertrak
  • 0920161 SUPERTRAK Hood assembly supertrak
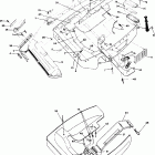
    Hood assembly supertrak
  • 0920161 SUPERTRAK Brake and gearcase supertrak
    Brake and gearcase supertrak
  • 0920161 SUPERTRAK Magneto supertrak
    Magneto supertrak
  • 0920161 SUPERTRAK Carburetor supertrak
    Carburetor supertrak
  • 0920161 SUPERTRAK Nosepan supertrak
    Nosepan supertrak
  • 0920161 SUPERTRAK Console supertrak
    Console supertrak
  • 0920161 SUPERTRAK Oil pump supertrak
    Oil pump supertrak
  • 0920161 SUPERTRAK Crankcase supertrak
    Crankcase supertrak
  • 0920161 SUPERTRAK Oil tank / air box assembly    supertrak
    Oil tank / air box assembly supertrak
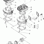
  • 0920161 SUPERTRAK Cylinder supertrak
    Cylinder supertrak
  • 0920161 SUPERTRAK Piston and crankshaft supertrak
    Piston and crankshaft supertrak
  • 0920161 SUPERTRAK Drive clutch   supertrak
    Drive clutch supertrak
  • 0920161 SUPERTRAK Rack and tunnel extension supertrak
    Rack and tunnel extension supertrak
  • 0920161 SUPERTRAK Driven clutch supertrak
    Driven clutch supertrak
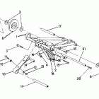
  • 0920161 SUPERTRAK Rear torque arm supertrak
    Rear torque arm supertrak
  • 0920161 SUPERTRAK Engine mounting supertrak
    Engine mounting supertrak
  • 0920161 SUPERTRAK Seat / gas tank assembly supertrak
    Seat / gas tank assembly supertrak
  • 0920161 SUPERTRAK Front suspension and ski supertrak
    Front suspension and ski supertrak
  • 0920161 SUPERTRAK Shifting supertrak
    Shifting supertrak
  • 0920161 SUPERTRAK Front torque arm supertrak
    Front torque arm supertrak
  • 0920161 SUPERTRAK Управление
    Управление
  • 0920161 SUPERTRAK Fuel pump supertrak
    Fuel pump supertrak
  • 0920161 SUPERTRAK Steering supertrak
    Steering supertrak
  • 0920161 SUPERTRAK Капот
    Капот
  • 0920161 SUPERTRAK Suspension supertrak
    Suspension supertrak
  • 0920161 SUPERTRAK Капот
    Капот
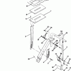
  • 0920161 SUPERTRAK Track and drive shaft   supertrak
    Track and drive shaft supertrak
  • 0920161 SUPERTRAK Tunnel assembly supertrak
    Tunnel assembly supertrak


  Информация
  • Новости
  • О Компании
  • Оплата и Доставка
  • Помощь
  • Обратная связь
  • Контакты
  OEM запчасти
  • Запчасти для мотоциклов
  • Запчасти для квадроциклов
  • Запчасти для снегоходов
  • Запчасти для мотовездеходов
  • Запчасти для гидроциклов
  • Запчасти для лодочных моторов
  Наши контакты
  • ИП Зуев Артем Павлович
  • г. Москва 2-я Хуторская улица, д.29, офис 214
  • Email: info@partsfor.ru

Тел: ‎8(495) 532-03-60
8(909) 958-46-33; 8(925) 200-16-98

* все разговоры записываются
С 10.00 до 19.00 ПН - ПТ

© 2026 Интернет магазин запчастей для мототехники ПартсФор.

  • PaymentGateway
  • PaymentGateway
Договор-оферта
Образец договора для юр.лиц
Пользовательское соглашение
Политика конфиденциальности

Товар добавлен в корзину

Выбранный товар добавлен в Вашу корзину.
Далее Вы можете перейти в корзину для оформления заказа или закрыть это окно и продолжить покупки.

Перейти в корзину

Выбор модели техники

Выбрать