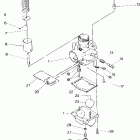
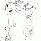
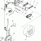
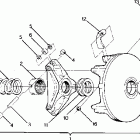
0890865 CLASSIC (1989)

Оригинальные запчасти для снегоходов Polaris

Выбор узла

0890865 CLASSIC (1989)