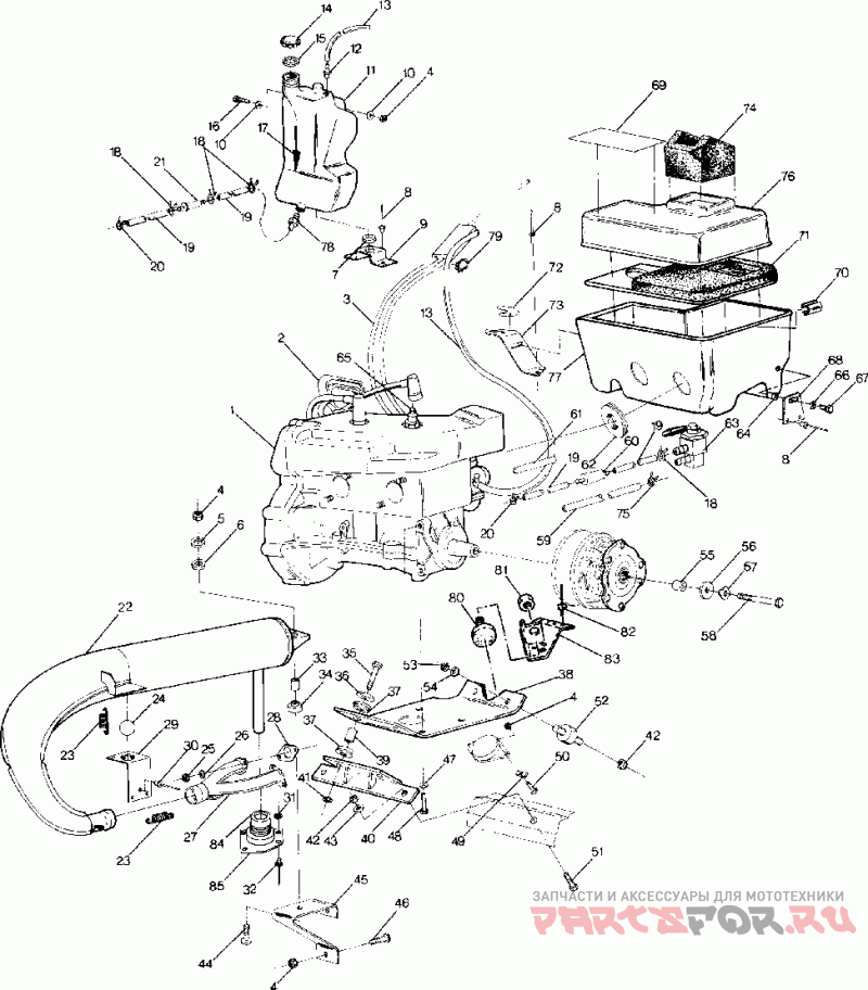
Engine mounting trail

Polaris 0890761 TRAIL

Polaris
#oem кодцена
3
7080289
Трос газа
4
7542122
Гайка (отпускается по 10шт)
5
7558221
Шайба (отпускается по 10шт)
6
5410436
Деталь Washer, Rubber (10)
7
5410021
Деталь Grommet Rubber
8
7661637
Заклёпка (отпускается по 50шт)
10
7558302
Шайба
12
5430579
Деталь Vent-tank
15
5810141
Деталь Gasket-oil Cap
16
7512247
Болт (отпускается по 10 шт)
18
7080307
Зажим (отпуск по 10 шт)
19
8450003-1525
Шланг
21
2530009
Фильтр тонкой очистки
23
7041687
Пружина
24
5430687
Деталь Ball-exh.mt.
25
3087199
Гайка
26
3080530
Гровер
30
7621429
Заклёпка
31
7558212
Деталь Washer, 13/64x1/2x18ga, Fl-y (10)
32
7621418
Заклепка (отпускается по 50шт)
33
5010192
Втулка
34
5412508
Деталь Dampener-vibration
35
7512533
Винт
36
7555740
Деталь Washer(10) *
37
5410390
Крепление двигателя
41
7542503
Гайка
42
7542439
Гайка (отпускается по 10шт)
43
7555801
Шайба
44
7512275
Болт
46
7512193
Болт
47
7553101
Гровер
48
7512539
Болт
49
7670021
Гайка
50
7512263
Болт
53
7542403
Гайка (отпускается по 10 шт)
54
7555806
Шайба (отпускается по 10шт)
55
5430261
Втулка
56
5210748
Деталь Washer(10) *
57
7575202
Шайба Стопорная
58
7512565
Болт
60
2530008
Деталь Filter Fuel, (10)
61
8450037-600
Деталь Fuel Line, 3/16 Id(600 Cm.)
62
5410403
Чехол защитный
63
7052039
Деталь Valve, Fuel Shut-off (trail Es Only)
64
7541923
Деталь Nut-well(10) *
65
3070165
Деталь Sparkplug Rn2c (4)
66
7552604
Шайба (отпускается по 10шт)
67
7512279
Винт (отпускается по 10шт)
70
7670055
Деталь Clip, Air Box
71
1253102
Деталь Baffle Asm.
75
7080003
Зажим (отпуск по 10 шт)
76
5430920
Деталь Cover, Silencer
78
7052042
Деталь Fitting, Outlet
79
7080278
Зажим
80
3110023
Стопор
81
7542432
Гайка
82
7661638
Деталь Rivet, Interlock, B(50)
83
1012048-067
Деталь Limiter, Torque, Blk.
84
5410502
Деталь Boot, Exhaust
38
5222169
Деталь Plate, Eng.mt.
52
3110022
Деталь Mount