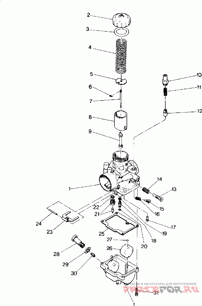
Carburetor ltr

Polaris 0881549 LONGTRAK

Polaris
#oem кодцена
2
3130060
Деталь Top, Mix Chamber (incl. 3)
4
3130318
Пружина
5
3130027
Пластина
6
3130508
Кольцо (отпуск.по 10шт)
7
3130329
Жиклер
9
3130160
Жиклер
11
3130006
Пружина
12
3130328
Плунжер
13
3130009
Винт
14
3130010
Пружина
15
3130011
Винт возд.
16
3130012
Пружина
17
3130629
Деталь Jet, Pilot, #50 (no. 50)
18
3130030
Деталь Setter, Needle Jet
19
3130014
Шайба (отпускается по 10 шт)
21
3131146
Запорная игла 1,5
22
3130017
Уплотнение игольчатого клапана (отп.по 10шт)
23
3130018
Коромысло
24
3130361
Палец
25
3130020
Прокладка
27
3130237
Деталь Cap(10)
28
3130210
Деталь Bolt, Banjo
30
3130131
Деталь Jet, Main Hx.hd#280(10) (no. 280)