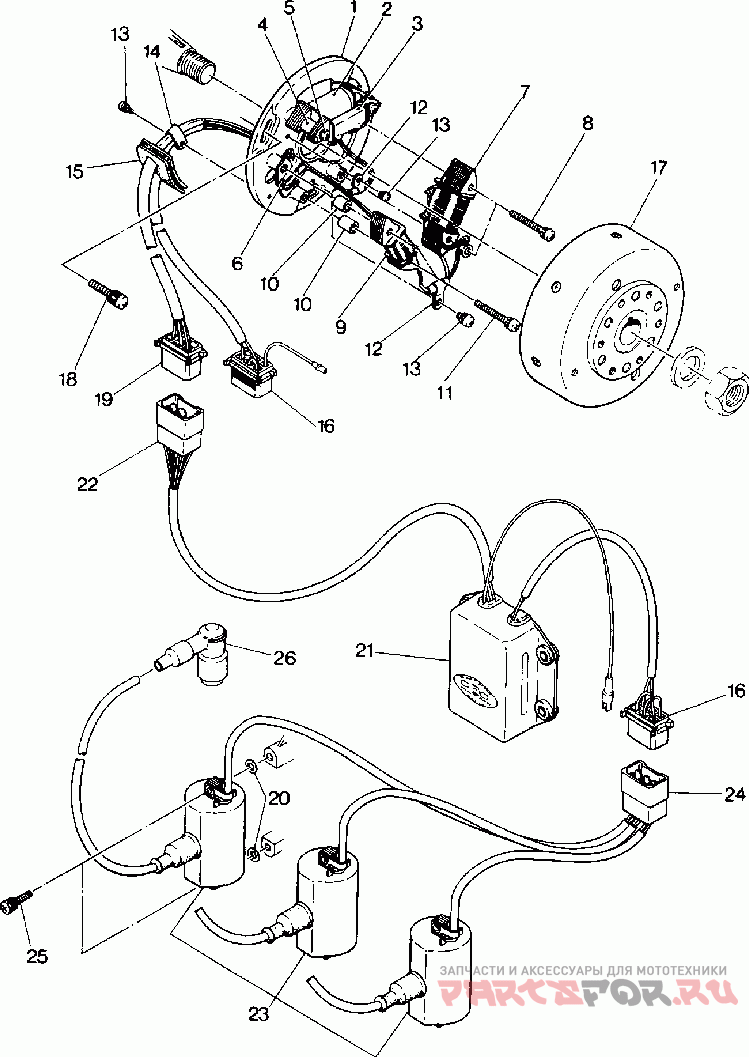
Magneto 650

Polaris 0880559 400 SKS

Polaris
#oem кодцена
8
3082365
Винт с шайбой (отпуск.по 10шт ,цена за шт)
13
3081260
Деталь Asm., Screw&washer(10)
14
3081146
Зажим
15
3082969
Уплотнитель
16
3081513
Деталь Coupler, Male
17
3082970
Маховик
18
3083866
Болт с шайбой (отпуск.по 10шт)
20
3083357
Шайба