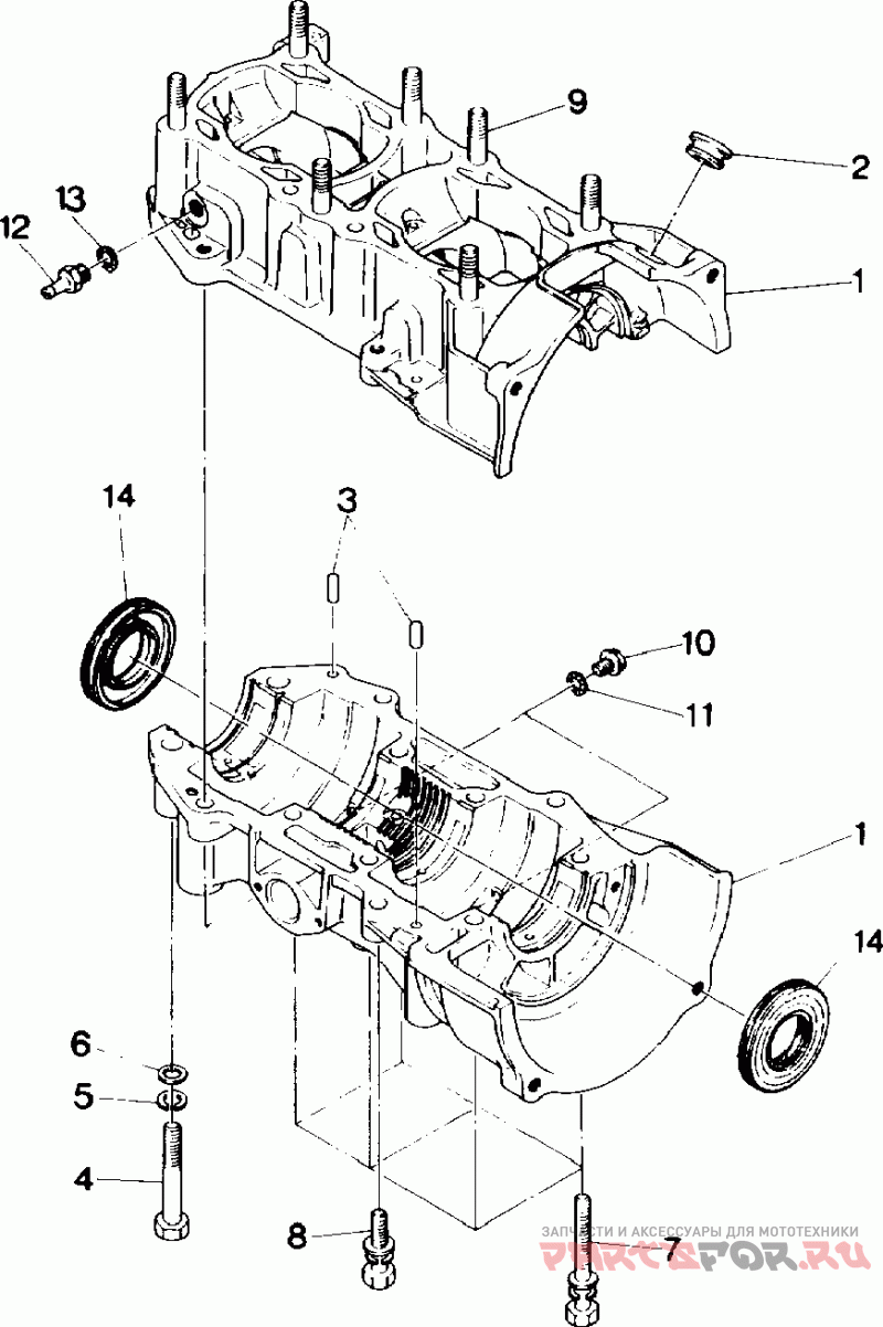
Crankcase 400

Polaris 0870761 TRAIL

Polaris
#oem кодцена
2
3082875
Уплотнитель резиновый
3
3086838
Штифт
6
3080356
Шайба (отпускается по 10шт)
7
3080739
Болт с шайбой (отпуск.по 10шт)
8
3083078
Болт с шайбой (отпуск.по 10шт)
9
3084119
Шпилька
10
3084491
Заглушка
12
3080641
Штуцер
13
3081634
Деталь Washer Wave
14
3083045
Сальник (отпускается по 10шт)