• О Компании
  • Оплата и Доставка
  • Помощь
  • Обратная связь
  • Контакты
  • Telegram
  • ВКонтакте
  • Telegram
  • ВКонтакте
  • Регистрация
  • Авторизация
Интернет магазин мотозапчастей PartsFor.ru
Москва и регионы России
  • Личный кабинет
    • Заказы
    • Оплаты
    • Отгрузки
    • Сообщения
    • Профиль
    • Выход
  • Оригинальные запчасти
    • Для мотоциклов
    • Yamaha
    • Honda
    • Suzuki
    • Kawasaki
    • Harley Davidson
    • Ducati
    • Can-Am
    • Aprilia
    • BMW
    • Triumph
    • Husaberg
    • Husqvarna
    • KTM
    • Indian
    • Victory
    • Slingshot
    • Для мотоциклов
    • Для квадроциклов
    • Для снегоходов
    • Для мотовездеходов
    • Для гидроциклов
    • Для лодочных моторов
    • Для катеров
    • Для судовых двигателей
    • Для генераторов
    • Для квадроциклов
    • Yamaha
    • Honda
    • Suzuki
    • Kawasaki
    • Arctic Cat
    • Can-Am
    • Polaris
    • KTM
    • Для снегоходов
    • Yamaha
    • Arctic Cat
    • Lynx
    • Ski-Doo
    • Polaris
    • Для генераторов
    • Для мотовездеходов
    • Yamaha
    • Honda
    • Suzuki
    • Kawasaki
    • Arctic Cat
    • Can-Am
    • Polaris
    • Polaris RZR
    • Для гидроциклов
    • Yamaha
    • Honda Marine
    • Kawasaki
    • Arctic Cat
    • Polaris
    • Sea-Doo
    • Для лодочных моторов
    • Для катеров
    • Для суд. двигателей
    • Для генераторов
    • Для лодочных моторов
    • Yamaha
    • Honda Marine
    • Suzuki Marine
    • Evinrude
    • Johnson
    • Nissan
    • Tohatsu
    • Mercury
    • Force
    • Mariner
    • Для катеров
    • Yamaha
    • Sea-Doo
    • Для суд. двигателей
    • Для спецтехники
  • Неоригинал, расходники
  • Заказ по каталогам
    • КАТАЛОГ PARTS UNLIMITED
  • Моторезина
  1. Главная
  2. Запчасти для снегоходов
  3. Lynx (Bombardier)
  4. 2012
  5. Rave 600 ACE

Rave 600 ACE (2012)

Оригинальные запчасти для снегоходов Lynx (Bombardier)

Выбор узла

Rave 600 ACE (2012)
  • Rave 600 ACE Распредвал и цепь
    Распредвал и цепь
  • Rave 600 ACE Система охлаждения
    Система охлаждения
  • Rave 600 ACE Коленвал и поршни
    Коленвал и поршни
  • Rave 600 ACE Головка цилиндров и выпускной коллектор
    Головка цилиндров и выпускной коллектор
  • Rave 600 ACE Блок двигателя
    Блок двигателя
  • Rave 600 ACE Система охлаждения
    Система охлаждения
  • Rave 600 ACE Двигатель и крепление
    Двигатель и крепление
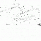
  • Rave 600 ACE Глушитель
    Глушитель
  • Rave 600 ACE Клапаная крышка
    Клапаная крышка
  • Rave 600 ACE Коллектор воздухозаборника и корпус дросселя
    Коллектор воздухозаборника и корпус дросселя
  • Rave 600 ACE Воздухоочиститель
    Воздухоочиститель
  • Rave 600 ACE Смазки
    Смазки
  • Rave 600 ACE Топливная система
    Топливная система
  • Rave 600 ACE Магнето и электрическийй стартер
    Магнето и электрическийй стартер
  • Rave 600 ACE Привод гусеницы
    Привод гусеницы
  • Rave 600 ACE Защита ремня вариатора
    Защита ремня вариатора
  • Rave 600 ACE Тормозная система
    Тормозная система
  • Rave 600 ACE Передняя подвеска и лыжи
    Передняя подвеска и лыжи
  • Rave 600 ACE Рулевая система
    Рулевая система
  • Rave 600 ACE Задняя подвеска
    Задняя подвеска
  • Rave 600 ACE Защита и бампер
    Защита и бампер
  • Rave 600 ACE Наклейки
    Наклейки
  • Rave 600 ACE Рама
    Рама
  • Rave 600 ACE Рама
    Рама
  • Rave 600 ACE Капот
    Капот
  • Rave 600 ACE Сидение
    Сидение
  • Rave 600 ACE Комплектующие изделия
    Комплектующие изделия
  • Rave 600 ACE Стекло ветровое и консоль
    Стекло ветровое и консоль
  • Rave 600 ACE Аккумуляторная Батарея И Электрический Стартер
    Аккумуляторная Батарея И Электрический Стартер
  • Rave 600 ACE Жгут проводов
    Жгут проводов
  • Rave 600 ACE Электрика
    Электрика
  • Rave 600 ACE Жгут проводов и электрический блок
    Жгут проводов и электрический блок
  • Rave 600 ACE Жгут проводов
    Жгут проводов


  Информация
  • Новости
  • О Компании
  • Оплата и Доставка
  • Помощь
  • Обратная связь
  • Контакты
  OEM запчасти
  • Запчасти для мотоциклов
  • Запчасти для квадроциклов
  • Запчасти для снегоходов
  • Запчасти для мотовездеходов
  • Запчасти для гидроциклов
  • Запчасти для лодочных моторов
  Наши контакты
  • ИП Зуев Артем Павлович
  • г. Москва 2-я Хуторская улица, д.29, офис 214
  • Email: info@partsfor.ru

Тел: ‎8(495) 532-03-60
8(909) 958-46-33; 8(925) 200-16-98

* все разговоры записываются
С 10.00 до 19.00 ПН - ПТ

© 2026 Интернет магазин запчастей для мототехники ПартсФор.

  • PaymentGateway
  • PaymentGateway
Договор-оферта
Образец договора для юр.лиц
Пользовательское соглашение
Политика конфиденциальности

Товар добавлен в корзину

Выбранный товар добавлен в Вашу корзину.
Далее Вы можете перейти в корзину для оформления заказа или закрыть это окно и продолжить покупки.

Перейти в корзину

Выбор модели техники

Выбрать