• О Компании
  • Оплата и Доставка
  • Помощь
  • Обратная связь
  • Контакты
  • Telegram
  • ВКонтакте
  • Telegram
  • ВКонтакте
  • Регистрация
  • Авторизация
Интернет магазин мотозапчастей PartsFor.ru
Москва и регионы России
  • Личный кабинет
    • Заказы
    • Оплаты
    • Отгрузки
    • Сообщения
    • Профиль
    • Выход
  • Оригинальные запчасти
    • Для мотоциклов
    • Yamaha
    • Honda
    • Suzuki
    • Kawasaki
    • Harley Davidson
    • Ducati
    • Can-Am
    • Aprilia
    • BMW
    • Triumph
    • Husaberg
    • Husqvarna
    • KTM
    • Indian
    • Victory
    • Slingshot
    • Для мотоциклов
    • Для квадроциклов
    • Для снегоходов
    • Для мотовездеходов
    • Для гидроциклов
    • Для лодочных моторов
    • Для катеров
    • Для судовых двигателей
    • Для генераторов
    • Для квадроциклов
    • Yamaha
    • Honda
    • Suzuki
    • Kawasaki
    • Arctic Cat
    • Can-Am
    • Polaris
    • KTM
    • Для снегоходов
    • Yamaha
    • Arctic Cat
    • Lynx
    • Ski-Doo
    • Polaris
    • Для генераторов
    • Для мотовездеходов
    • Yamaha
    • Honda
    • Suzuki
    • Kawasaki
    • Arctic Cat
    • Can-Am
    • Polaris
    • Polaris RZR
    • Для гидроциклов
    • Yamaha
    • Honda Marine
    • Kawasaki
    • Arctic Cat
    • Polaris
    • Sea-Doo
    • Для лодочных моторов
    • Для катеров
    • Для суд. двигателей
    • Для генераторов
    • Для лодочных моторов
    • Yamaha
    • Honda Marine
    • Suzuki Marine
    • Evinrude
    • Johnson
    • Nissan
    • Tohatsu
    • Mercury
    • Force
    • Mariner
    • Для катеров
    • Yamaha
    • Sea-Doo
    • Для суд. двигателей
    • Для спецтехники
  • Неоригинал, расходники
  • Заказ по каталогам
    • КАТАЛОГ PARTS UNLIMITED
  • Моторезина
  1. Главная
  2. Запчасти для снегоходов
  3. Lynx (Bombardier)
  4. 2005
  5. Sport Touring 600HO SDI

Sport Touring 600HO SDI (2005)

Оригинальные запчасти для снегоходов Lynx (Bombardier)

Выбор узла

Sport Touring 600HO SDI (2005)
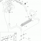
  • Sport Touring 600HO SDI Система охлаждения
    Система охлаждения
  • Sport Touring 600HO SDI Картер
    Картер
  • Sport Touring 600HO SDI Коленвал и поршни
    Коленвал и поршни
  • Sport Touring 600HO SDI Цилиндр и головка
    Цилиндр и головка
  • Sport Touring 600HO SDI Двигатель
    Двигатель
  • Sport Touring 600HO SDI Глушитель
    Глушитель
  • Sport Touring 600HO SDI 01- Ignition
    01- Ignition
  • Sport Touring 600HO SDI Воздухоочиститель
    Воздухоочиститель
  • Sport Touring 600HO SDI 02- Electric Starter
    02- Electric Starter
  • Sport Touring 600HO SDI Топливная система
    Топливная система
  • Sport Touring 600HO SDI Масляный бак
    Масляный бак
  • Sport Touring 600HO SDI Корпус дросселя
    Корпус дросселя
  • Sport Touring 600HO SDI Ручной стартер
    Ручной стартер
  • Sport Touring 600HO SDI Вариатор
    Вариатор
  • Sport Touring 600HO SDI Привод гусеницы
    Привод гусеницы
  • Sport Touring 600HO SDI Ведомый шкив
    Ведомый шкив
  • Sport Touring 600HO SDI Тормоза гидравлические
    Тормоза гидравлические
  • Sport Touring 600HO SDI Передняя подвеска и лыжи
    Передняя подвеска и лыжи
  • Sport Touring 600HO SDI Рулевая система
    Рулевая система
  • Sport Touring 600HO SDI Задняя подвеска
    Задняя подвеска
  • Sport Touring 600HO SDI Защита и бампер
    Защита и бампер
  • Sport Touring 600HO SDI Наклейки
    Наклейки
  • Sport Touring 600HO SDI Рама
    Рама
  • Sport Touring 600HO SDI Рама
    Рама
  • Sport Touring 600HO SDI Сидение
    Сидение
  • Sport Touring 600HO SDI Комплектующие изделия
    Комплектующие изделия
  • Sport Touring 600HO SDI Стекло ветровое и консоль
    Стекло ветровое и консоль
  • Sport Touring 600HO SDI Электрика
    Электрика
  • Sport Touring 600HO SDI Жгут проводов
    Жгут проводов
  • Sport Touring 600HO SDI Проводака на руле
    Проводака на руле


  Информация
  • Новости
  • О Компании
  • Оплата и Доставка
  • Помощь
  • Обратная связь
  • Контакты
  OEM запчасти
  • Запчасти для мотоциклов
  • Запчасти для квадроциклов
  • Запчасти для снегоходов
  • Запчасти для мотовездеходов
  • Запчасти для гидроциклов
  • Запчасти для лодочных моторов
  Наши контакты
  • ИП Зуев Артем Павлович
  • г. Москва 2-я Хуторская улица, д.29, офис 214
  • Email: info@partsfor.ru

Тел: ‎8(495) 532-03-60
8(909) 958-46-33; 8(925) 200-16-98

* все разговоры записываются
С 10.00 до 19.00 ПН - ПТ

© 2026 Интернет магазин запчастей для мототехники ПартсФор.

  • PaymentGateway
  • PaymentGateway
Договор-оферта
Образец договора для юр.лиц
Пользовательское соглашение
Политика конфиденциальности

Товар добавлен в корзину

Выбранный товар добавлен в Вашу корзину.
Далее Вы можете перейти в корзину для оформления заказа или закрыть это окно и продолжить покупки.

Перейти в корзину

Выбор модели техники

Выбрать